Описание модели SC.140
Сухой пластинчато-роторный вакуумный насос DVP SC.140 служит для снижения давления воздуха. Насос работает как с чистым воздухом так и с инертными газовыми смесями. Он позволяет достичь глубины вакуума 120 мбар (12 % атмосферного давления). Насос не требует заправки вакуумным маслом, используется в приложениях, где важно, чтобы воздух на выходе оставался чистым и безопасным. Страна производства насоса Италия.
Модель комплектуется фильтром на входе и шумоглушителем на выходе. Ротор насоса DVP SC.140 установлен на двух подшипниках, валы двигателя и насоса соединяются муфтой. Мощный вентилятор охлаждает корпус двигателя и насоса.
Объемный расход насоса до 130 м3/ч (2166 л/мин), предельное остаточное давление до 120 мбар.
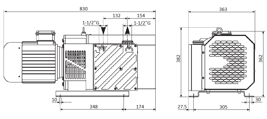
Всасывающий патрубок трубная резьба G 1-1/2" (40 мм). Выхлопной патрубок G 1-1/2" (40 мм), установлен глушитель.
Мощность двигателя 4 кВт, 1400 об/мин (4Р), 3~, стандартное питание 380 В. IE2.
Уровень шума насоса 76 дБ.
Рабочие температуры 80 ÷ 83° C, при температуре окружающей среды 20° C.
Конструкция насоса DVP SC.140
Почему сухие вакуумные насосы фирмы DVP имеют увеличенный срок службы пластин?
Что входит в комплектацию
- Насос.
- Воздушный фильтр (встроен) для предотвращения попадания пыли внутрь корпуса.
- Шумоглушитель на выходном патрубке.
- Инструкция
Габаритный чертеж насоса DVP SC.140




































_1.jpg)




























































































































































































































































Гарантия 12 мес.