Видео
Сборка насоса

Как правильно собрать циркуляционные насосы Zenova INL
Разборка насоса

Как правильно разобрать циркуляционный насос Zenova INL
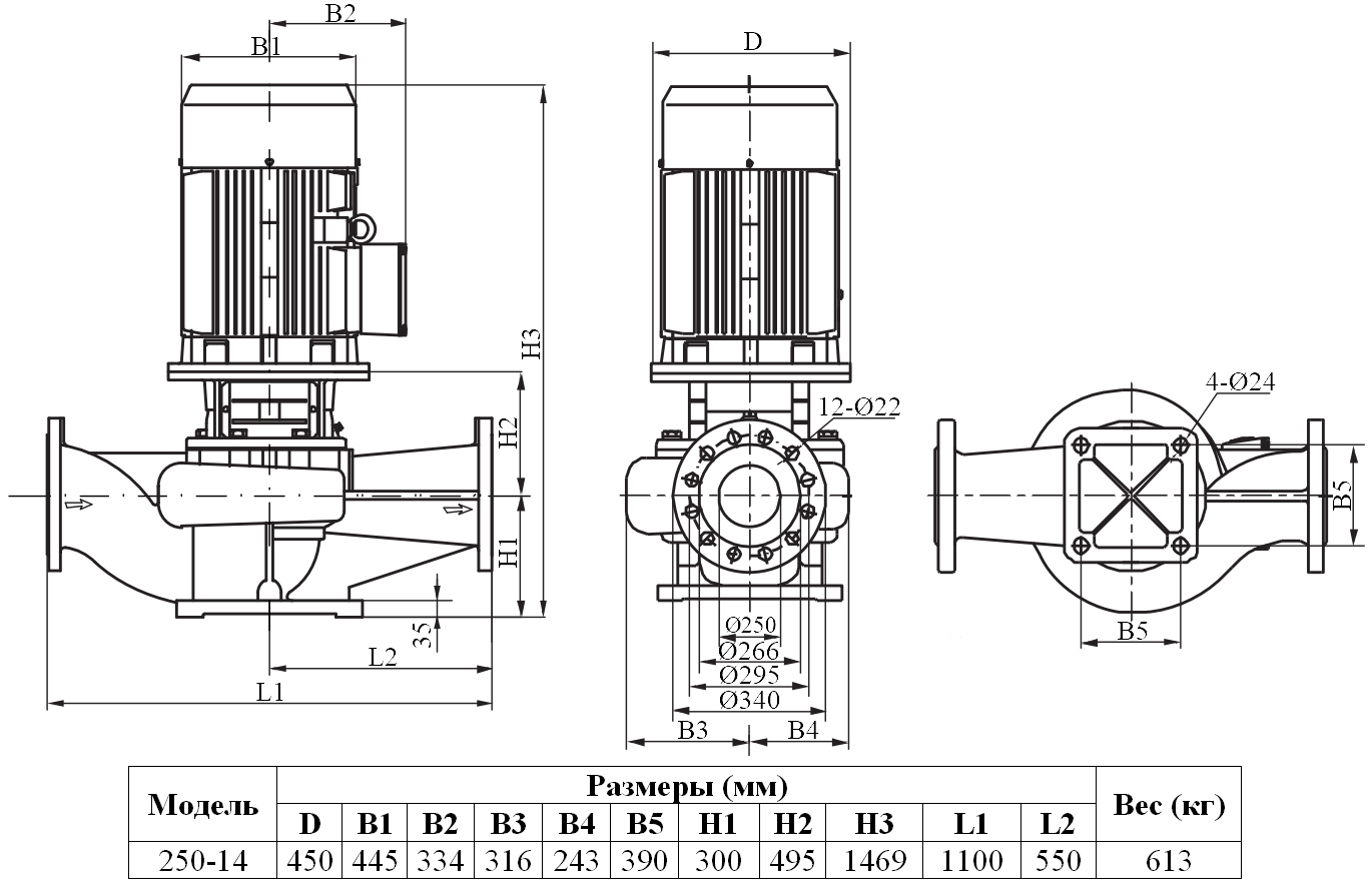
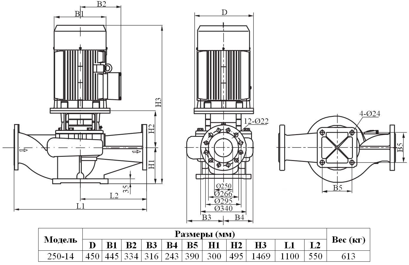
Описание модели INL 250-14/4
Линейный циркуляционный насос INL 250-14/4 - это мощный фланцевый циркуляционный насос для систем отопления или водоснабжения. Перекачивает воду или гликолесодержащие жидкости в замкнутых системах. Патрубки насоса расположены в одну линию (inline исполнение).
Производительность насоса INL 250-14/4 колеблется от 240 до 750 кубометров в час (4000 – 12 500 литров в минуту), напор соответственно от 11,6 до 20 метров водяного столба. При этом оптимальная рабочая точка производительности 630 кубометров в час (10 500 литров в минуту) при давлении 14 м.в.ст. Показатель КПД насоса в указанной точке 74%.
Линейный насос INL 250-14/4 оснащен индукционным 4-полюсным трехфазным двигателем (n = 1500 оборотов в минуту), с номинальной мощностью 37 кВт (380 вольт).
Конструкция и конструкционные материалы
Это центробежные насосы с общим валом и одним рабочим колесом. В конструкции используется прямое подсоединение двигатель-насос. Подающий и всасывающий раструбы на корпусе расположены на одном уровне и имеют одинаковый диаметр.
| Элемент насоса | Используемые материалы |
| Вал | Нержавеющая сталь AISI 304 |
| Механическое уплотнение | Карбид кремния |
| Импеллер | Чугун |
| Корпус насоса | Чугун |
| Соединительное кольцо | Нитрил |
На фланцах насоса установлены воздухоотводные заглушки, позволяющие спустить воздух из линии после установки насоса. Так же их можно использовать для присоединения тестовых мановакуумметров для анализа работы насоса в процессе пусконаладочных работ. 
Также для облегчения запуска, у насоса есть спускной воздушный клапан в верхней части воздушной камеры. Он позволяет выпустить воздух из рабочей камеры насоса при заполнении линии водой. 
Условия эксплуатации
- Температура внешней среды (воздуха): до 40°С
- Температура перекачиваемой среды: от -10 до 120°С
- Максимальное внутреннее давление: 16 бар.
- Допускается круглосуточная эксплуатация (S1).
Габаритный чертеж модели Zenova INL 250-14/4




































_1.jpg)





























































































































































































































































Гарантия 18 мес.
