Описание модели INL 40-48/2
Линейный циркуляционный насос INL 40-48/2 - это мощный фланцевый циркуляционный насос для систем отопления или водоснабжения. Перекачивает воду или гликолесодержащие жидкости в замкнутых системах. Патрубки насоса расположены в одну линию (inline исполнение).
Производительность насоса INL 40-48/2 колеблется от 4 до 32 кубометров в час (66,7 – 533,3 литров в минуту), напор соответственно от 39,6 до 51,6 метров водяного столба. При этом оптимальная рабочая точка производительности 25 кубометров в час (416,7 литров в минуту) при давлении 48 м.в.ст. Показатель КПД насоса в указанной точке 57%.
Линейный насос INL 40-48/2 оснащен индукционным 2-полюсным трехфазным двигателем (n = 2900 оборотов в минуту), с номинальной мощностью 7,5 кВт (380 вольт).Конструкция и конструкционные материалы
Это центробежные насосы с общим валом и одним рабочим колесом. В конструкции используется прямое подсоединение двигатель-насос. Подающий и всасывающий раструбы на корпусе расположены на одном уровне и имеют одинаковый диаметр.
| Элемент насоса | Используемые материалы |
| Вал | Нержавеющая сталь AISI 304 |
| Механическое уплотнение | Карбид кремния |
| Импеллер | Чугун |
| Корпус насоса | Чугун |
| Соединительное кольцо | Нитрил |
Условия эксплуатации
- Температура внешней среды (воздуха): до 40°С
- Температура перекачиваемой среды: от -10 до 120°С
- Максимальное внутреннее давление: 16 бар.
- Допускается круглосуточная эксплуатация (S1).
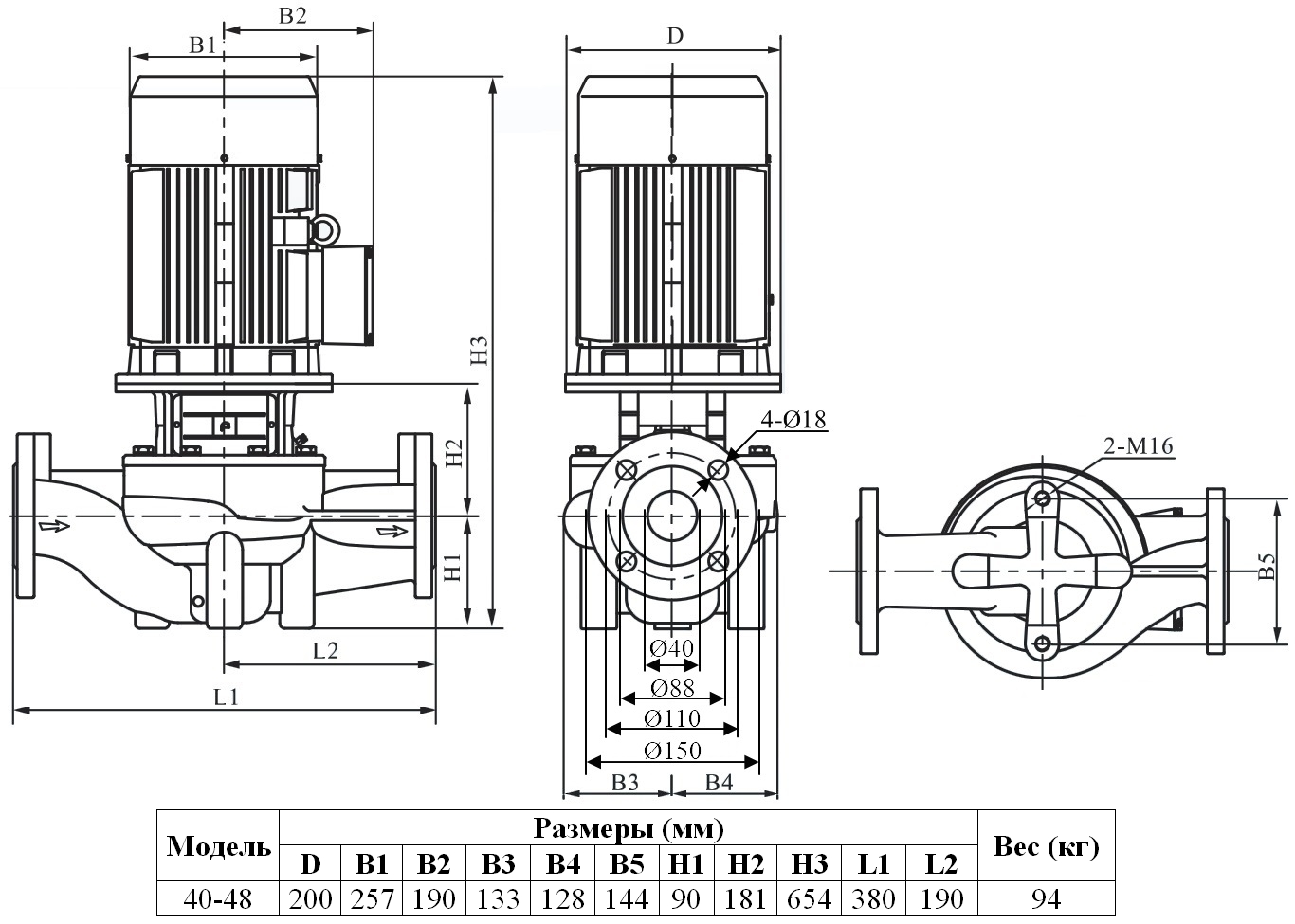
Габаритный чертеж модели Zenova INL 40-48/2
Кривые производительности
Видео

Как правильно собрать циркуляционные насосы Zenova INL

Как правильно разобрать циркуляционный насос Zenova INL




































_1.jpg)




























































































































































































































































Гарантия 18 мес.