Видео

Как правильно собрать циркуляционные насосы Zenova INL

Как правильно разобрать циркуляционный насос Zenova INL
Описание модели INL 250-50/4
Линейный циркуляционный насос INL 250-50/4 - это мощный фланцевый циркуляционный насос для систем отопления или водоснабжения. Перекачивает воду или гликолесодержащие жидкости в замкнутых системах. Патрубки насоса расположены в одну линию (inline исполнение).
Производительность насоса INL 250-50/4 колеблется от 240 до 750 кубометров в час (4000 – 12 500 литров в минуту), напор соответственно от 45,4 до 55,6 метров водяного столба. При этом оптимальная рабочая точка производительности 630 кубометров в час (10 500 литров в минуту) при давлении 50 м.в.ст. Показатель КПД насоса в указанной точке 80%.
Линейный насос INL 250-50/4 оснащен индукционным 4-полюсным трехфазным двигателем (n = 1500 оборотов в минуту), с номинальной мощностью 132 кВт (380 вольт).
Конструкция и конструкционные материалы
Это центробежные насосы с общим валом и одним рабочим колесом. В конструкции используется прямое подсоединение двигатель-насос. Подающий и всасывающий раструбы на корпусе расположены на одном уровне и имеют одинаковый диаметр.
| Элемент насоса | Используемые материалы |
| Вал | Нержавеющая сталь AISI 304 |
| Механическое уплотнение | Карбид кремния |
| Импеллер | Чугун |
| Корпус насоса | Чугун |
| Соединительное кольцо | Нитрил |
Условия эксплуатации
- Температура внешней среды (воздуха): до 40°С
- Температура перекачиваемой среды: от -10 до 120°С
- Максимальное внутреннее давление: 16 бар.
- Допускается круглосуточная эксплуатация (S1).
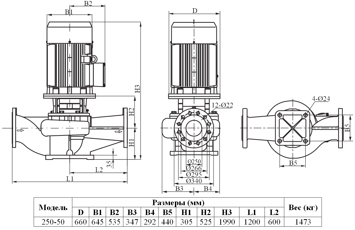
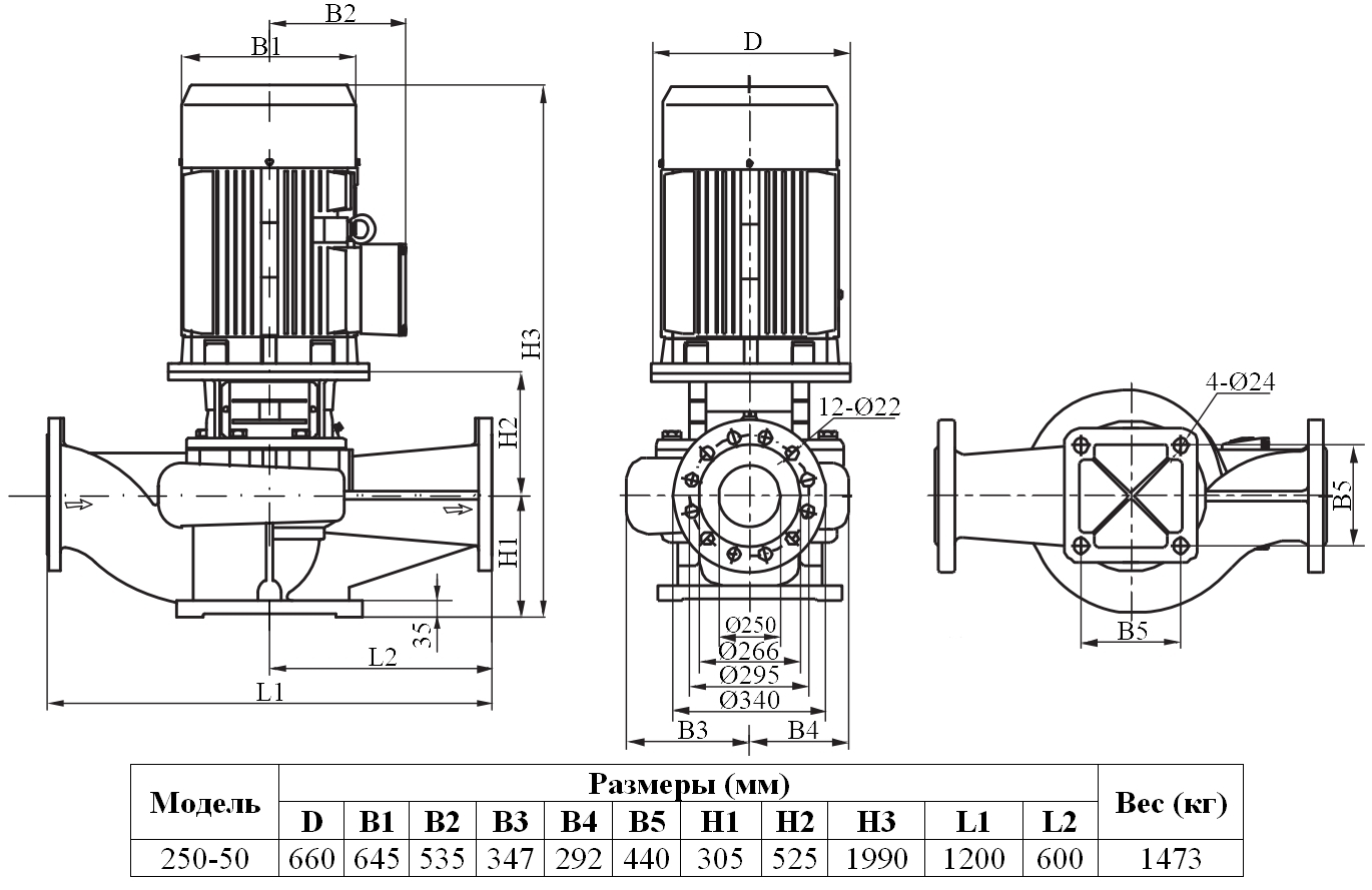
Габаритный чертеж модели Zenova INL 250-50/4




































_1.jpg)




























































































































































































































































Гарантия 18 мес.
