Видео
Япона - мать! Сравнительный тест 25 мм мембранных насосов Yamada, ARO, River Wave
Описание модели 666100-344-C
Мембранный пневматический насос ARO Pro 666100-344-C перекачивает жидкости разнообразной химической структуры и вязкие среды с твердыми фракциями до 3,2 мм. Высота сухого пуска в режиме самовсоса до 6,1 метра. Для работы насоса требуется подача сжатого воздуха с давлением от 2,8 до 8,3 бара.
Корпус проточной и центральной части из алюминия, клапана из тефлона, седла из полипропилена.
Мембраны сдвоенной конструкции: со стороны жидкости тефлон, с пневматической стороны сантопрен.
Максимальная температура рабочей жидкости составляет 104 °C.
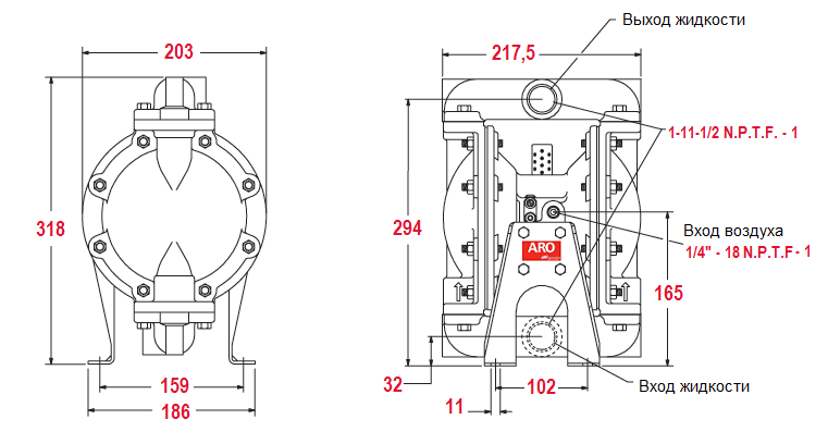
Производительность модели от 1 до 133 л/мин (от 0,06 до 7,98 м3/час). Напор регулируется сжатым воздухом и достигает 83 метров. Присоединительный размер всасывающей и нагнетательной линии 1" NPTF, воздушной линии - 1/4" NPTF.
График эксплуатационных характеристик ARO Pro 666100-344-C
Габаритный чертеж насоса ARO Pro 666100-344-C
У нас пока нет отзывов по этой модели.
В настоящее время никто вопросов не задавал. Вы можете быть первым.




































_1.jpg)




























































































































































































































































Гарантия 12 мес.