Описание модели 6661T3-3EB-C
Мембранный пневматический насос ARO Pro 6661T3-3EB-C перекачивает жидкости разнообразной химической структуры и вязкие среды с твердыми фракциями до 6,4 мм. Высота сухого пуска в режиме самовсоса до 4,3 метра. Для работы насоса требуется подача сжатого воздуха с давлением от 2,8 до 8,3 бара.
Корпус проточной части из полипропилена, центральная часть из алюминия, клапана из сантопрена, седла из полипропилена.
Мембраны полностью из сантопрена.
Максимальная температура рабочей жидкости составляет 66 °C.
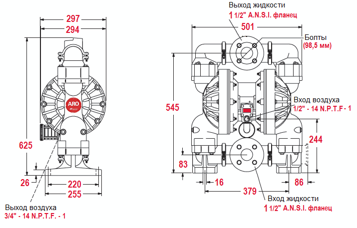
Производительность модели от 1 до 378,5 л/мин (от 0,06 до 22,71 м3/час). Напор регулируется сжатым воздухом и достигает 83 метров. Присоединительный размер всасывающей и нагнетательной линии 1 1/2" (фланец ANSI), воздушной линии - 1/2" NPTF.
График эксплуатационных характеристик ARO Pro 6661T3-3EB-C
Габаритный чертеж насоса ARO Pro 6661T3-3EB-C
У нас пока нет отзывов по этой модели.
В настоящее время никто вопросов не задавал. Вы можете быть первым.




































_1.jpg)




























































































































































































































































Гарантия 12 мес.