Описание модели 6661T3-344-C
Мембранный пневматический насос ARO Pro 6661T3-344-C перекачивает жидкости разнообразной химической структуры и вязкие среды с твердыми фракциями до 6,4 мм. Высота сухого пуска в режиме самовсоса до 4,3 метра. Для работы насоса требуется подача сжатого воздуха с давлением от 2,8 до 8,3 бара.
Корпус проточной части из полипропилена, центральная часть из алюминия, клапана из тефлона, седла из полипропилена.
Мембраны сдвоенной конструкции: со стороны жидкости тефлон, с пневматической стороны сантопрен.
Максимальная температура рабочей жидкости составляет 66 °C.
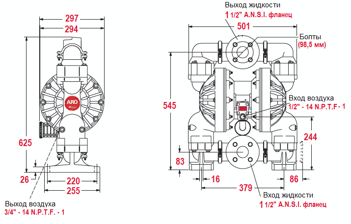
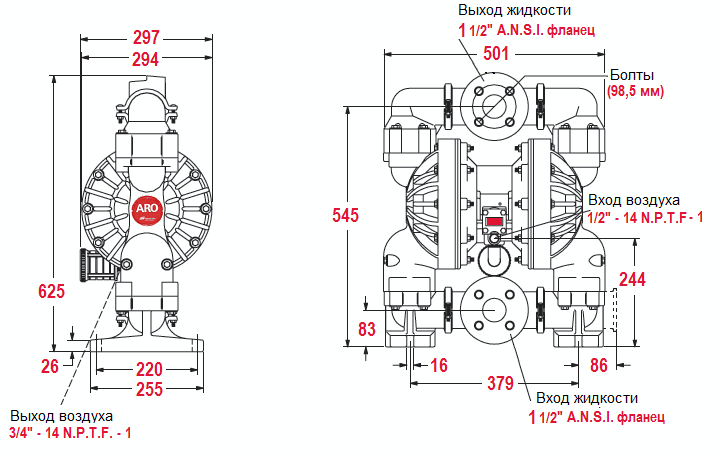
Производительность модели от 1 до 378,5 л/мин (от 0,06 до 22,71 м3/час). Напор регулируется сжатым воздухом и достигает 83 метров. Присоединительный размер всасывающей и нагнетательной линии 1 1/2" (фланец ANSI), воздушной линии - 1/2" NPTF.
График эксплуатационных характеристик ARO Pro 6661T3-344-C
Габаритный чертеж насоса ARO Pro 6661T3-344-C
У нас пока нет отзывов по этой модели.
В настоящее время никто вопросов не задавал. Вы можете быть первым.




































_1.jpg)




























































































































































































































































Гарантия 12 мес.