Описание модели 666151-2EB-C
Мембранный пневматический насос ARO Pro 666151-2EB-C перекачивает жидкости разнообразной химической структуры и вязкие среды с твердыми фракциями до 6,4 мм. Высота сухого пуска в режиме самовсоса до 5,8 метра. Для работы насоса требуется подача сжатого воздуха с давлением от 2,8 до 8,3 бара.
Корпус проточной части из нержавеющей стали, центральная часть из алюминия, клапана из сантопрена, седла из SS316.
Мембраны полностью из сантопрена.
Максимальная температура рабочей жидкости составляет 82 °C.
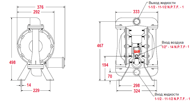
Производительность модели от 1 до 340,7 л/мин (от 0,06 до 20,44 м3/час). Напор регулируется сжатым воздухом и достигает 83 метров. Присоединительный размер всасывающей и нагнетательной линии 1 1/2" NPTF, воздушной линии - 1/2" NPTF.
График эксплуатационных характеристик ARO Pro 666151-2EB-C
Габаритный чертеж насоса ARO Pro 666151-2EB-C
У нас пока нет отзывов по этой модели.
В настоящее время никто вопросов не задавал. Вы можете быть первым.




































_1.jpg)




























































































































































































































































Гарантия 12 мес.