Описание модели 666320-EEB-C
Мембранный пневматический насос ARO Pro 666320-EEB-C перекачивает жидкости разнообразной химической структуры и вязкие среды с твердыми фракциями до 9,5 мм. Высота сухого пуска в режиме самовсоса до 8,3 метра. Для работы насоса требуется подача сжатого воздуха с давлением от 2,8 до 8,3 бара.
Корпус проточной и центральной части из алюминия, клапана, седла и мембраны из сантопрена.
Максимальная температура рабочей жидкости составляет 82 °C.
Производительность модели от 1 до 897 л/мин (от 0,06 до 53,82 м3/час). Напор регулируется сжатым воздухом и достигает 83 метров. Присоединительный размер всасывающей и нагнетательной линии 3" BSP, воздушной линии - 3/4" NPTF.
График эксплуатационных характеристик ARO Pro 666320-EEB-C
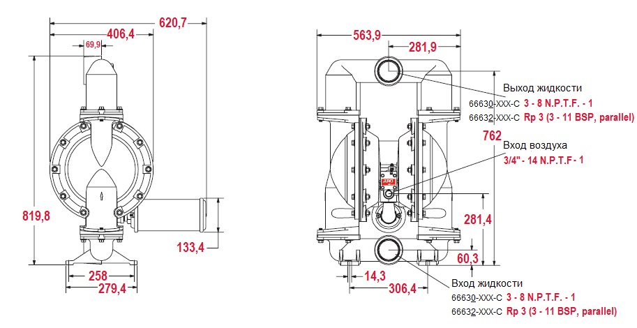
Габаритный чертеж насоса ARO Pro 666320-EEB-C
У нас пока нет отзывов по этой модели.
В настоящее время никто вопросов не задавал. Вы можете быть первым.




































_1.jpg)




























































































































































































































































Гарантия 12 мес.