Описание модели 666150-144-C
Мембранный пневматический насос ARO Pro 666150-144-C перекачивает жидкости разнообразной химической структуры и вязкие среды с твердыми фракциями до 6,4 мм. Высота сухого пуска в режиме самовсоса до 5,8 метра. Для работы насоса требуется подача сжатого воздуха с давлением от 2,8 до 8,3 бара.
Корпус проточной и центральной части из алюминия, клапана из тефлона, седла из алюминия.
Мембраны сдвоенной конструкции: со стороны жидкости тефлон, с пневматической стороны сантопрен.
Максимальная температура рабочей жидкости составляет 104 °C.
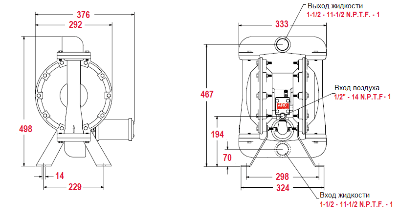
Производительность модели от 1 до 340,7 л/мин (от 0,06 до 20,44 м3/час). Напор регулируется сжатым воздухом и достигает 83 метров. Присоединительный размер всасывающей и нагнетательной линии 1 1/2" NPTF, воздушной линии - 1/2" NPTF.
График эксплуатационных характеристик ARO Pro 666150-144-C
Габаритный чертеж насоса ARO Pro 666150-144-C
У нас пока нет отзывов по этой модели.
В настоящее время никто вопросов не задавал. Вы можете быть первым.




































_1.jpg)




























































































































































































































































Гарантия 12 мес.