Описание модели BT MA/M 50-03
Соленоидный мембранный дозирующий насос Etatron BT MA/M 50-03 (артикул PBT1819001) – это мощный цифровой насос с ручным управлением для точного дозирования жидких реагентов. Насос работает в постоянном режиме, производительность задается на цифровом дисплее в процентном выражении в 0-100% с шагом 1% при помощи сенсорных кнопок.
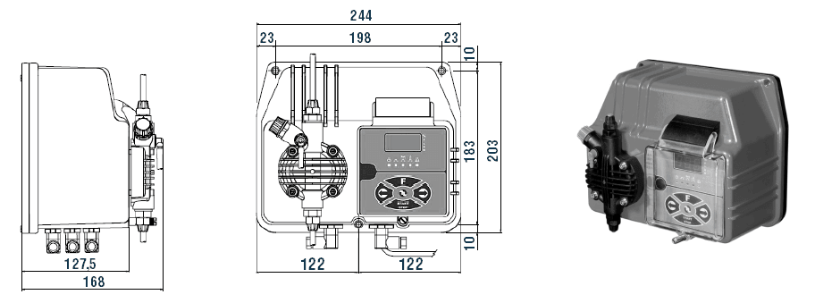
Номинальная частота импульсов 180 в минуту. Объем одного импульса 4,6 мл, длина хода пистона 1,7 мм.
Показатели производительности насоса в зависимости от противодавления:
- 50 л/час при 3 бар
- 55 л/час при 1,8 бар
- 60 л/час при 1,3 бар
- 65 л/час при 0,9 бар
Высота забора реагента 1,5 метра.
Питание насоса однофазное 220 В, 50 Гц, потребляемая мощность 124 Вт, рабочий ток 0,54 А.
Предусмотрены входы для датчиков контроля уровня и выходного потока (датчики в комплект не входят) и релейный выход для аварийного сигнала.
Дозатор выполнен в корпусе из алюминия, который покрыт антикислотной краской.
Стандартная головка из ПВХ без клапана стравливания воздуха.

Панель управления насоса с простым интерфейсом - 5 светодиодных индикаторов статуса работы, 4 кнопки управления режимом работы и сегметно-цифровой дисплей. Панель управления закрыта прозрачной пластиковой крышкой.

Etatron BT MA/M 50-03 поставляется в сборе, готовым к работе.
Класс защиты IP65 (пыль, брызги).
Вариант монтажа: настенный.
Комплектный набор:
Дозирующий насос (артикул PBT1819001)
Заборный шланг из гибкого ПВХ (4 п.м.)
Напорный шланг из полиэтилена (2 п.м.)
Клапаны впрыска/забора реагента (1 шт./1 шт.)
Паспорт и инструкция по установке и обслуживанию
Условия эксплуатации
- Питание насосов однофазное - 200-260 вольт.
- Температура окружающей среды от +5 до +40 °C.
- Относительная влажность 80% при температуре до +31 °C, при температуре +40°C относительная влажность 50%.
- Рабочая высота над уровнем моря не более 2000 метров.
Габаритный чертеж насоса Etatron BT MA/M 50-03
Кривые производительности
У нас пока нет отзывов по этой модели.
В настоящее время никто вопросов не задавал. Вы можете быть первым.




































_1.jpg)




























































































































































































































































Гарантия 24 мес.