Описание модели BT MF 50-03
Соленоидный мембранный дозирующий насос Etatron BT MF 50-03 (артикул PBT1719001) создан для точного дозирования жидких реагентов. Это мощный многофункциональный цифровой дозатор, производительность которого регулируется частотой импульсов (впрысков). Насос работает в ручном режиме, либо в режимах пропорционального дозирования от импульсов внешнего расходомера, от сигнала 4-20 мА и по установленному ppm. Предусмотрен встроенной таймер и дистанционное управление (вкл/выкл) на расстоянии до 100 метров.
Описание рабочих режимов
1. Ручной режим. Производительность регулируется вручную посредством кнопок.
Частота импульсов насоса устанавливается в трех вариантах:
от 0 до 180 импульсов в минуту (обычный способ дозирования);
от 0 до 120 импульсов в час;
от 0 до 48 импульсов в день.
Дополнительной функцией является использование таймера, который обеспечивает дозирования циклами Start/Stop.
Если таймер не включен, то насос дозирует в ручном режиме. При включении ежедневного таймера насос отрабатывает до 8 Start/Stop циклов в день, а при включении еженедельного таймера – до 8 Start/Stop циклов за неделю.
2. Пропорциональный режим.
2.1. Насос дозирует согласно импульсам внешнего расходомера.
На каждый сигнал (импульс) расходомера насос выдает определенную порцию реагента.
Количество порций реагента задается путем выбора функции 1xN (умножения), 1xN(M) (умножения с памятью), 1:N (деления). Значения N и М вводятся пользователем.
У функций умножения 1xN и 1xN(M), N - это количество импульсов насоса, М – количество сигналов расходомера, заносимых в память дозатора.
У функции деления 1:N, N - это количество сигналов (импульсов) расходомера.
2.2. Режим ppm (миллионная доля). Этот режим используется, когда требуется дозировать очень точно.
Через меню программируются параметры сигнала от внешнего расходомера, % - концентрация реагента и значение ppm (от 0 до 20,00). Используя эти данные, микропроцессор насоса определяет и задает количество импульсов на объем воды, протекающей через расходомер.
2.3. Режим пропорционального дозирования от внешнего сигнала 4-20 мА.
Частота импульсов насоса пропорциональна получаемому mA сигналу, чем больше сигнал, тем больше производительность.
С помощью меню устанавливается минимальное и максимальное значение внешнего сигнала с соответствующей частотой импульсов (точки «Установка 1» и «Установка 2»).
Например: 4 мА = 0 импульсов в минуту, 20 мА = 180 импульсов. В этих точках насос начинает или прекращает работу. Частота импульсов дозирования будет изменяться от 0 до 180 в минуту - пропорционально изменениям внешнего сигнала от 0 до 20 мА.
Дополнительные функции: возможность управления с удаленного устройства (Start/Stop), электронные часы (д/м/г/ч/м) с памятью и зуммер.
Номинальная частота импульсов 180 в минуту. Объем одного импульса 4,6 мл, длина хода пистона 1,7 мм.
Показатели производительности насоса в зависимости от противодавления:
- 50 л/час при 3 бар
- 55 л/час при 1,8 бар
- 60 л/час при 1,3 бар
- 65 л/час при 0,9 бар
Высота забора реагента 1,5 метра.
Питание насоса однофазное 220 В, 50 Гц, потребляемая мощность 124 Вт, рабочий ток 0,54 А.
Электрические подключения: Штекер подключения импульсного расходомера, датчиков контроля уровня и выходного потока (датчики в комплект не входят).
Штекер для обновления программного обеспечения или сброса всех настроек. Штекер для мА - сигнала и релейный выход аварийного сигнала.
Дозатор выполнен в корпусе из алюминия, который покрыт антикислотной краской.
Стандартная головка из ПВХ без клапана стравливания воздуха.

Панель управления насоса с удобным интерфейсом: кнопочное меню, кнопка Start/Stop, ЖК – дисплей и 3 Led – индикатора.
Панель закрыта прозрачной пластиковой крышкой.

Etatron BT MF 50-03 поставляется в сборе, готовым к работе.
Класс защиты IP65 (пыль, брызги).
Вариант монтажа: настенный.
Комплектный набор:
Дозирующий насос (артикул PBT1719001)
Заборный шланг из гибкого ПВХ (4 п.м.)
Напорный шланг из полиэтилена (2 п.м.)
Клапаны впрыска/забора реагента (1 шт./1 шт.)
Паспорт и инструкция по установке и обслуживанию
Условия эксплуатации
- Питание насосов однофазное - 200-260 вольт.
- Температура окружающей среды от +5 до +40 °C.
- Относительная влажность 80% при температуре до +31 °C, при температуре +40°C относительная влажность 50%.
- Рабочая высота над уровнем моря не более 2000 метров.
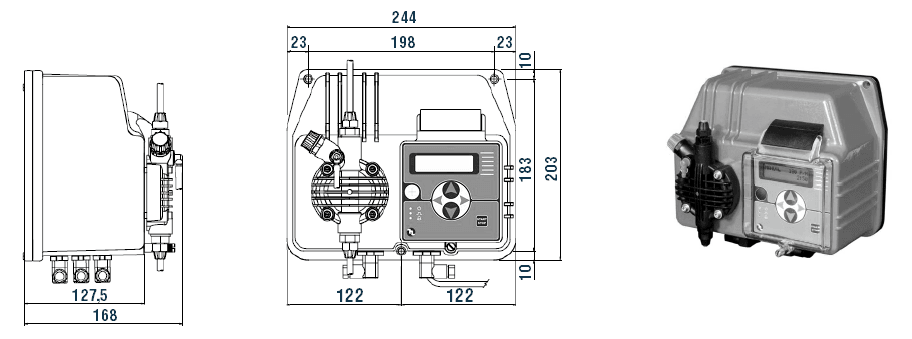
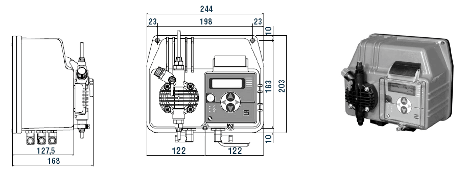
Габаритный чертеж насоса Etatron BT MF 50-03
Кривые производительности
У нас пока нет отзывов по этой модели.
В настоящее время никто вопросов не задавал. Вы можете быть первым.




































_1.jpg)




























































































































































































































































Гарантия 24 мес.