Описание модели SB.6 TV
Безмасляный вакуумный насос DVP SB.6 TV - это роторно-пластинчатый агрегат с сухим уплотнителем. Насос производит вакуум в герметичных емкостях без загрязнений откачиваемого воздуха парами масла. Пластины ротора изготовлены из высокотехнологичного графитного материала, имеют продолжительный срок службы, не требуют применения смазки.
Модель DVP SB.6 TV успешно применяется в вакуумных системах прижима станков с ЧПУ, в устройствах захвата (присосках) автоматизированных линий, в мембранно-вакуумных прессах, полиграфических и термоформовочных машинах.
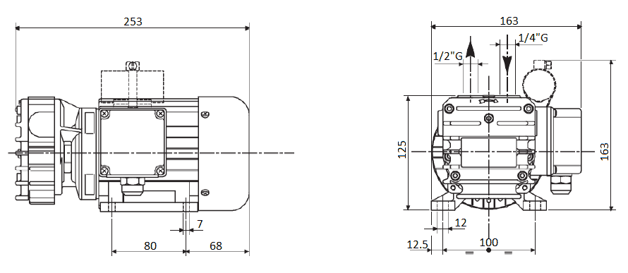
DVP SB.6 TV рассчитан на непрерывную работу с производительностью от 0,1 до 6 м3/час до предельного сухого вакуума 120 мбар. (90 мм рт. столба). Всасывающий патрубок трубная резьба G 1/4" (6 мм). Выхлопной патрубок G 1/2" (15 мм).
Ротор насоса установлен непосредственно на валу трехфазного электродвигателя мощностью 0,25 кВт, охлаждение осуществляется вентилятором. Уровень шума на входе составляет 60 дБ.
Конструкция насоса DVP SB.6 TV
Почему сухие вакуумные насосы фирмы DVP имеют увеличенный срок службы пластин?
Не секрет, что пластинчато-роторные насосы без масляной смазки имеют сильно сниженный ресурс работы за счет повышения трения и ускоренного износа рабочих пластин.
Однако серия SB, SC имеет повышенный срок службы пластин по сравнению с обычными безмасляными насосами. Это достигается за счет того, что 75% ширины пластины находится в пазу во время работы, в то время, как обычно этот показатель составляет 50%. Для изготовления пластин используется специальный антифрикционный материал. Все это обеспечивает срок службы пластины 10 000 часов (1,5 года круглосуточной эксплуатации). Уменьшенное число пластин позволяет сэкономить при их замене.
Что входит в комплектацию
- Насос.
- Воздушный фильтр (встроен) для предотвращения попадания пыли внутрь корпуса.
- Шумоглушитель на выходном патрубке.
- Инструкция
Отдельный гарантийный талон не поставляется (гарантия 12 месяцев со дня продажи по накладной или товарному чеку).
Габаритный чертеж насоса DVP SB.6 TV
Кривые производительности
У нас пока нет отзывов по этой модели.
В настоящее время никто вопросов не задавал. Вы можете быть первым.




































_1.jpg)




























































































































































































































































Гарантия 12 мес.