Описание модели ХЦМ 1/10
Герметичный насос ХЦМ 1/10 фирмы ОКТБ Кристалл (г. Йошкар-Ола) оснащен магнитной муфтой и может перекачивать химические активные жидкости. Корпус насоса выполнен из полипропилена.
Насос ХЦМ 1/10 обеспечивает производительность от 0,5 до 2,8 м3/час (от 8,3 до 47 л/мин) и напор от 3,7 до 10,2 метров. В точке наибольшего КПД производительность насоса составляет 2 м3/час (33 л/мин) при напоре 7,8 метров. Максимальный КПД составляет 28%.
Мощность электродвигателя составляет 0,25 кВт на 3000 оборотов в минуту. Тип электродвигателя АИР 56B2 У3.
При работе насос издает шум 90 дБ, средняя скорость вибрации корпуса при работе насоса 1,8 мм/с. Избыточное давление на входе в насос не должно превышать 1,5 бар, а требуемый кавитационный запас составляет 4,5 метра.
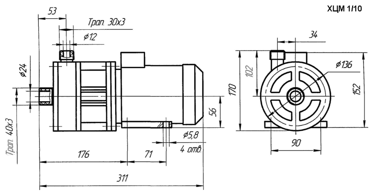
Габаритный чертеж насоса Кристалл ХЦМ 1/10
Кривые производительности
У нас пока нет отзывов по этой модели.
В настоящее время никто вопросов не задавал. Вы можете быть первым.




































_1.jpg)






























































































































































































































































Гарантия 12 мес.