Описание модели ХЦМ 20/25М
Герметичный насос ХЦМ 20/25М фирмы ОКТБ Кристалл (г. Йошкар-Ола) оснащен магнитной муфтой и может перекачивать химические активные жидкости. Корпус насоса выполнен из полипропилена.
Насос ХЦМ 20/25М обеспечивает производительность от 12 до 24,8 м3/час (от 200 до 413 л/мин) и напор от 18,2 до 34,7 метров. В точке наибольшего КПД производительность насоса составляет 20 м3/час (333 л/мин) при напоре 26,7 метров. Максимальный КПД составляет 50%.
Мощность электродвигателя составляет 4 кВт на 3000 оборотов в минуту. Тип электродвигателя АИР 100S2 У3.
При работе насос издает шум 104 дБ, средняя скорость вибрации корпуса при работе насоса 4,5 мм/с. Избыточное давление на входе в насос не должно превышать 3,75 бар, а требуемый кавитационный запас составляет 5,6 метра.
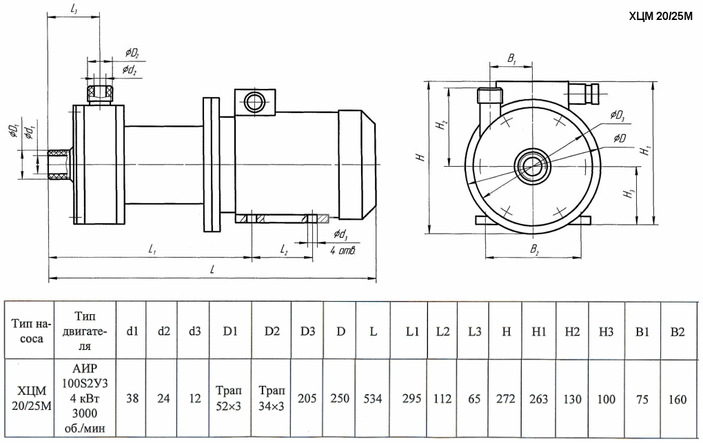
Габаритный чертеж насоса Кристалл ХЦМ 20/25М
Кривые производительности
У нас пока нет отзывов по этой модели.
В настоящее время никто вопросов не задавал. Вы можете быть первым.




































_1.jpg)




























































































































































































































































Гарантия 12 мес.