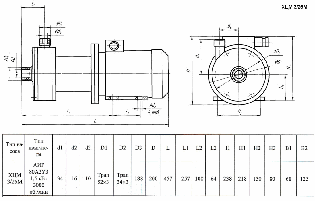
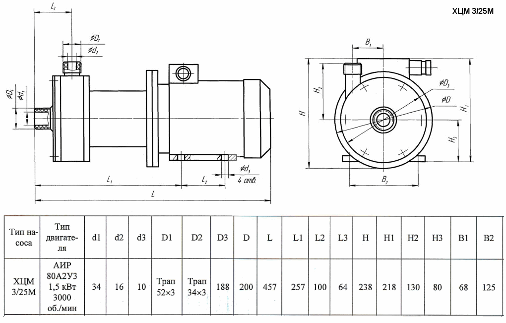
Описание модели ХЦМ 3/25М
Герметичный насос ХЦМ 3/25М фирмы ОКТБ Кристалл (г. Йошкар-Ола) оснащен магнитной муфтой и может перекачивать химические активные жидкости. Корпус насоса выполнен из полипропилена.
Насос ХЦМ 3/25М обеспечивает производительность от 1 до 7,5 м3/час (от 16,7 до 125 л/мин) и напор от 15,5 до 28,2 метров. В точке наибольшего КПД производительность насоса составляет 5 м3/час (83 л/мин) при напоре 23,1 метров. Максимальный КПД составляет 33%.
Мощность электродвигателя составляет 1,5 кВт на 3000 оборотов в минуту. Тип электродвигателя АИР 80A2 У3.
При работе насос издает шум 94 дБ, средняя скорость вибрации корпуса при работе насоса 2,8 мм/с. Избыточное давление на входе в насос не должно превышать 3,75 бар, а требуемый кавитационный запас составляет 5,6 метра.
Габаритный чертеж насоса Кристалл ХЦМ 3/25М
Кривые производительности
У нас пока нет отзывов по этой модели.
В настоящее время никто вопросов не задавал. Вы можете быть первым.




































_1.jpg)






























































































































































































































































Гарантия 12 мес.