Описание модели ХЦМ 1/10ВК
Герметичный взрывозащищенный насос ХЦМ 1/10ВК оснащен магнитной муфтой и предназначен для безопасного перекачивания агрессивных, токсичных, легко воспламеняющихся и горючих жидкостей. Выполнен в корпусе из нержавеющей стали.
Производительность насоса ХЦМ 1/10ВК колеблется от 0,5 до 3,8 м3/час (от 8,3 до 63,3 л/мин), максимальный напор до 13,5 м. Наибольший КПД насоса составляет 22 % при производительности 2,5 м3/час (41,7 л/мин) и напоре 10,5 м.
Характеристики перекачиваемой жидкости для ХЦМ 1/10ВК
Температура от – 40 до 120 °C
Максимальная вязкость: 30 сСт.
Перекачиваемая жидкость может содержать твёрдые немагнитные включения размером до 0,3 мм с концентрацией не более 1,25 мг/см3.
Допустимая плотность до 1,5 кг/дм3 (использование жидкости большей плотности может привести к выходу из строя электродвигателя).
Насос ХЦМ 1/10ВК оснащен асинхронным взрывобезопасным электродвигателем АИМ63В2 мощностью 0,55 кВт, стандартное напряжение 380 В /3 фазы/50 Гц. Вид взрывозащиты 1ExdIIBT4.
Избыточное давление на входе в насос не должно превышать 1,8 бар, а требуемый кавитационный запас составляет 4,5 метра.
Элементы и материалы конструкции модели

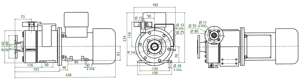
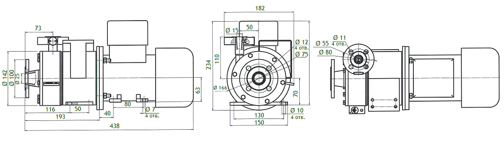
Габаритный чертеж насоса Кристалл ХЦМ 1/10ВК
Кривые производительности
У нас пока нет отзывов по этой модели.
В настоящее время никто вопросов не задавал. Вы можете быть первым.




































_1.jpg)




























































































































































































































































Гарантия 12 мес.