Описание модели ХЦМ 1,5/15ВК С
Единственный самовсасывающий насос в серии ХЦМ - модель ХЦМ 1,5/15ВК С. Этот герметичный взрывозащищенный насос с магнитной муфтой предназначен для безопасного перекачивания агрессивных, токсичных, легко воспламеняющихся и горючих жидкостей. ХЦМ 1,5/15ВК С выполнен в корпусе из нержавеющей стали.
Производительность насоса ХЦМ 1,5/15ВК С колеблется от 0,5 до 2 м3/час (от 8,3 до 33,3 л/мин), максимальный напор до 28 м. Рабочая точка 1,5 м3/час (25 л/мин) при напоре 15 м.
Характеристики перекачиваемой жидкости для ХЦМ 1,5/15ВК С
Температура от – 40 до 120 °C
Максимальная вязкость: 30 сСт.
Перекачиваемая жидкость может содержать твёрдые немагнитные включения размером до 0,3 мм с концентрацией не более 1,25 мг/см3.
Допустимая плотность до 1,5 кг/дм3 (использование жидкости большей плотности может привести к выходу из строя электродвигателя).
Насос ХЦМ 1,5/15ВК С оснащен асинхронным взрывобезопасным электродвигателем АИМЛ80В4 мощностью 1,5 кВт, стандартное напряжение 380 В /3 фазы/50 Гц. Вид взрывозащиты 1ExdIIBT4.
Избыточное давление на входе в насос не должно превышать 1,8 бар, а требуемый кавитационный запас составляет 4,5 метра. Высота самовсасывания до 4 м.
Элементы и материалы конструкции модели

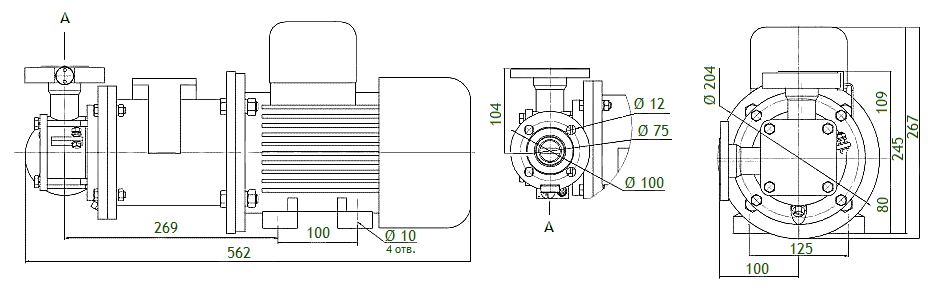
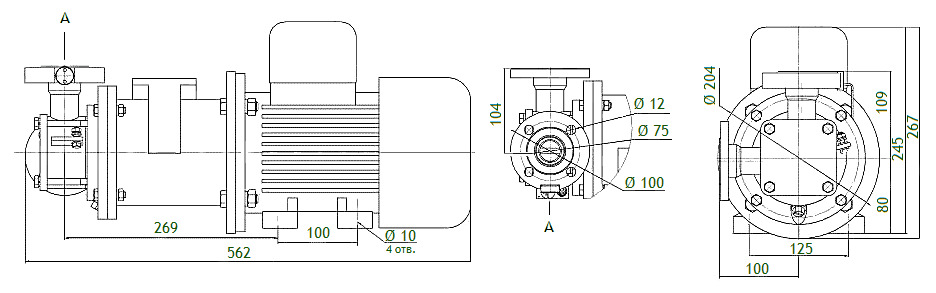
Габаритный чертеж насоса Кристалл ХЦМ 1,5/15ВК C
Кривые производительности
У нас пока нет отзывов по этой модели.
В настоящее время никто вопросов не задавал. Вы можете быть первым.




































_1.jpg)




























































































































































































































































Гарантия 12 мес.