Описание модели ХЦМ 6/30М
Герметичный насос ХЦМ 6/30М фирмы ОКТБ Кристалл (г. Йошкар-Ола) оснащен магнитной муфтой и может перекачивать химические активные жидкости. Корпус насоса выполнен из полипропилена.
Насос ХЦМ 6/30М обеспечивает производительность от 1 до 12,3 м3/час (от 16,7 до 205 л/мин) и напор от 21,7 до 32 метров. В точке наибольшего КПД производительность насоса составляет 6 м3/час (100 л/мин) при напоре 29,7 метров. Максимальный КПД составляет 32%.
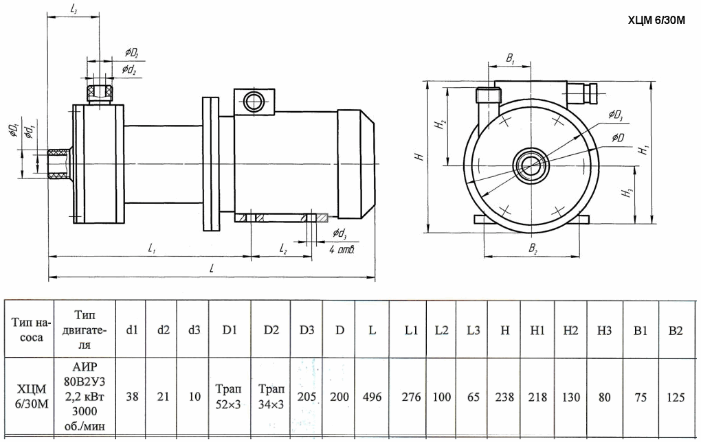
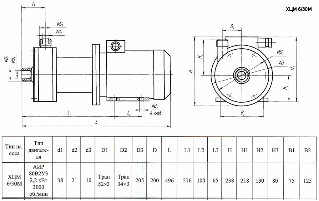
Мощность электродвигателя составляет 2,2 кВт на 3000 оборотов в минуту. Тип электродвигателя АИР 80B2 У3.
При работе насос издает шум 94 дБ, средняя скорость вибрации корпуса при работе насоса 2,8 мм/с. Избыточное давление на входе в насос не должно превышать 4,5 бар, а требуемый кавитационный запас составляет 5,8 метра.
Габаритный чертеж насоса Кристалл ХЦМ 6/30М
Кривые производительности
У нас пока нет отзывов по этой модели.
В настоящее время никто вопросов не задавал. Вы можете быть первым.




































_1.jpg)






























































































































































































































































Гарантия 12 мес.