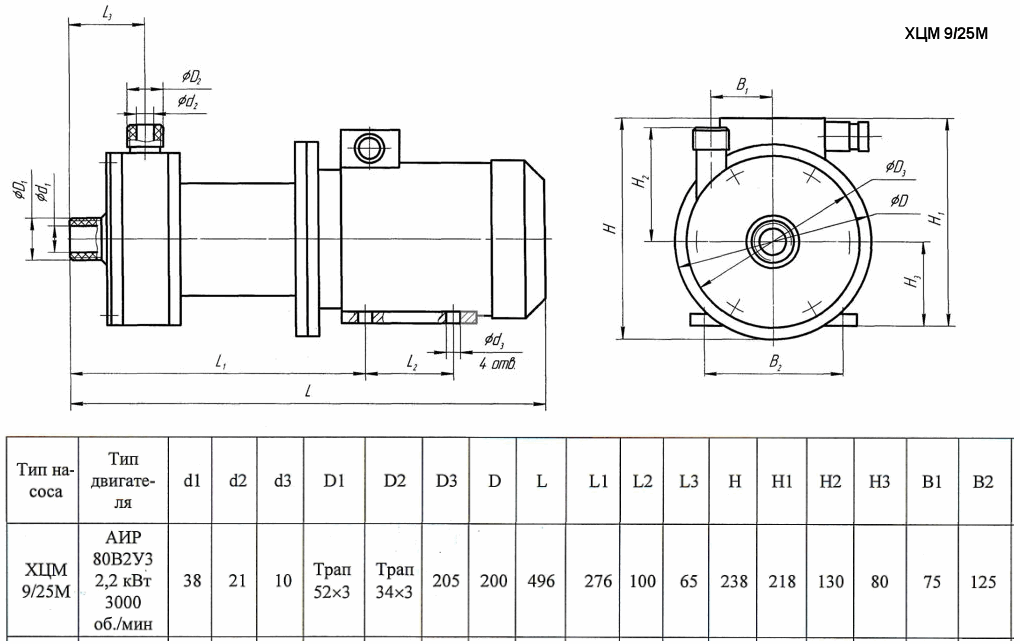
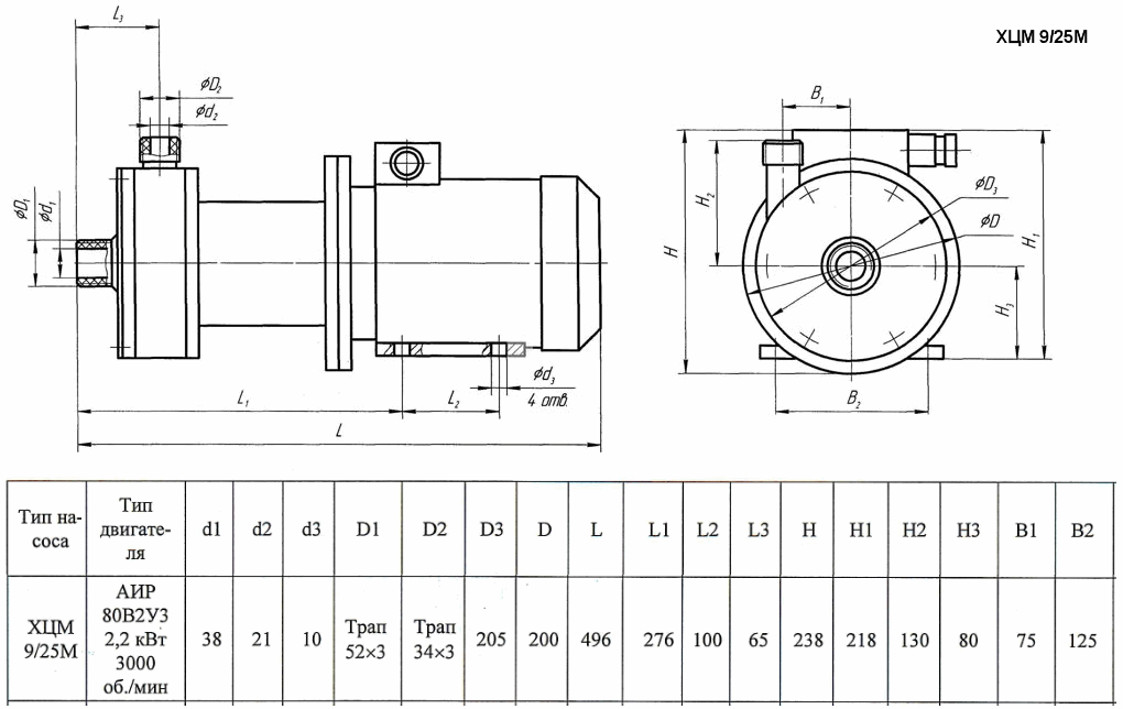
Описание модели ХЦМ 9/25М
Герметичный насос ХЦМ 9/25М фирмы ОКТБ Кристалл (г. Йошкар-Ола) оснащен магнитной муфтой и может перекачивать химические активные жидкости. Корпус насоса выполнен из полипропилена.
Насос ХЦМ 9/25М обеспечивает производительность от 1 до 12 м3/час (от 16,7 до 200 л/мин) и напор от 20,2 до 32,3 метров. В точке наибольшего КПД производительность насоса составляет 9 м3/час (150 л/мин) при напоре 25,2 метров. Максимальный КПД составляет 38%.
Мощность электродвигателя составляет 2,2 кВт на 3000 оборотов в минуту. Тип электродвигателя АИР 80B2 У3.
При работе насос издает шум 94 дБ, средняя скорость вибрации корпуса при работе насоса 2,8 мм/с. Избыточное давление на входе в насос не должно превышать 3,75 бар, а требуемый кавитационный запас составляет 5,8 метра.
Габаритный чертеж насоса Кристалл ХЦМ 9/25М
Кривые производительности
У нас пока нет отзывов по этой модели.
В настоящее время никто вопросов не задавал. Вы можете быть первым.




































_1.jpg)




























































































































































































































































Гарантия 12 мес.