Описание модели ХЦМ 12/25М
Герметичный насос ХЦМ 12/25М фирмы ОКТБ Кристалл (г. Йошкар-Ола) оснащен магнитной муфтой и может перекачивать химические активные жидкости. Корпус насоса выполнен из полипропилена.
Насос ХЦМ 12/25М обеспечивает производительность от 1 до 14,4 м3/час (от 16,7 до 240 л/мин) и напор от 20 до 33,8 метров. В точке наибольшего КПД производительность насоса составляет 12 м3/час (200 л/мин) при напоре 26 метров. Максимальный КПД насоса составляет 42%.
Мощность электродвигателя составляет 3 кВт на 3000 оборотов в минуту. Тип электродвигателя АИР 90L2 У3.
При работе насос издает шум 104 дБ, средняя скорость вибрации корпуса при работе насоса 4,5 мм/с. Избыточное давление на входе в насос не должно превышать 3,75 бар, а требуемый кавитационный запас составляет 5,6 метра.
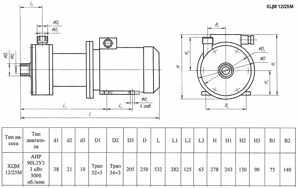
Габаритный чертеж насоса Кристалл ХЦМ 12/25М
Кривые производительности
У нас пока нет отзывов по этой модели.
В настоящее время никто вопросов не задавал. Вы можете быть первым.




































_1.jpg)




























































































































































































































































Гарантия 12 мес.