Видео
Выбираем насос для химии
Как выбрать насос для кислоты и другой химии
Промывка мембранников
Промой мембранный насос правильно
Активный и пассивный демпферы пульсаций. Сравнительный тест.
Описание модели BOXER 150-F
Мембранный пневматический насос BOXER 150-F из фторопласта итальянской фирмы Debem предназначен для перекачивания жидкостей, с которыми плохо справляются центробежные насосы. К ним относятся вязкие (до 40 000 сстокс), агрессивные, легковоспламеняющиеся жидкости с возможным содержанием твердых абразивных частиц. Насос BOXER 150-F при работе использует энергию сжатого воздуха от 2 до 8 бар (в паре с насосом необходим компрессор).
BOXER 150-F - это условное название модели, полный артикул насоса IB150FCMTTFT--, он содержит информацию о материалах элементов конструкции.

Корпус насоса BOXER 150-F выполнен из фторопласта (PVDF). Мембраны сдвоенной конструкции Santoprene+PTFE: внутренняя мембрана со стороны воздуха из сантопрена, внешняя мембрана со стороны жидкости из тефлона. Шариковые клапана из тефлона, седла клапанов из фторопласта, прокладки и уплотнительные кольца из тефлона.
По умолчанию насос имеет защищенное исполнение - сертифицирован по взрывозащите II 3/3 GD c IIB T 135°C (по запросу более высокая категория 2G).
Максимальная температура жидкости +95 °С.
Насос BOXER 150-F имеет производительность от 1,5 до 13,2 м3/час (от 25 до 220 л/мин). Напор зависит от давления сжатого воздуха, поэтому не может превышать 8 бар. Насос BOXER 150-F может работать в режиме самовсоса, но при этом вязкость жидкости не должна превышать 10 000 сстокс. При высоте самовсоса 7 метров насос теряет 45% своей производительности.
Демпфер пульсации и фланцы
К насосу BOXER 150-F подходит гаситель пульсации EQUAFLUX 200 PVDF (корпус гасителя из PVDF+CF, мембрана Santoprene+PTFE).
При необходимости может быть поставлен комплект из двух фланцев (накручиваются на резьбовые патрубки насоса), 32 мм.
График зависимости характеристик насоса BOXER 150-F от давления сжатого воздуха
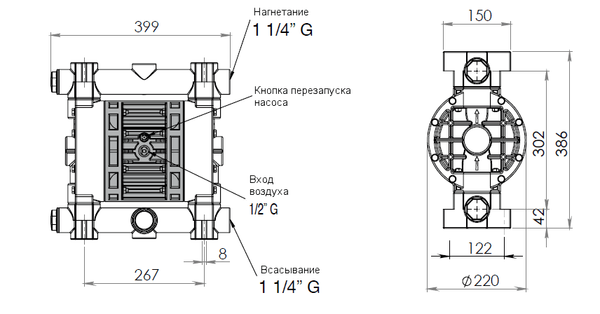
Габаритный чертеж насоса Debem BOXER 150-F
У нас пока нет отзывов по этой модели.
В настоящее время никто вопросов не задавал. Вы можете быть первым.




































_1.jpg)




























































































































































































































































Гарантия 12 мес.