Видео
Выбираем насос для химии
Как выбрать насос для кислоты и другой химии
Промывка мембранников
Промой мембранный насос правильно
Активный и пассивный демпферы пульсаций. Сравнительный тест.
Описание модели BOXER 80-A
Мембранный пневматический насос Debem BOXER 80-A больше не доступен для заказа. Замена ему - модель Debem BOXER 81-A.
Мембранный пневматический насос BOXER 80-A из нержавеющей стали итальянской фирмы Debem предназначен для перекачивания жидкостей, с которыми плохо справляются центробежные насосы. К ним относятся пищевые, вязкие (до 25000 сстокс), агрессивные, легковоспламеняющиеся жидкости с возможным содержанием твердых абразивных частиц. Насос BOXER 80-A при работе использует энергию сжатого воздуха от 2 до 7 бар (в паре с насосом необходим компрессор).
BOXER 80-A - это условное название модели, полный артикул насоса IB80-A-HTAAT--, он содержит информацию о материалах элементов конструкции.

Корпус насоса BOXER 80-A выполнен из нержавеющей стали AISI 316. Мембраны сдвоенной конструкции Hytrel+PTFE: внутренняя мембрана со стороны воздуха из хайтрела, внешняя мембрана со стороны жидкости из тефлона. Шарики и седла клапана из нержавеющей стали, прокладки и уплотнительные кольца из тефлона.
По умолчанию насос имеет защищенное исполнение - сертифицирован по категории взрывозащиты II 3/3 GD c IIB T 135°C.
Максимальная температура перекачиваемой жидкости не должна превышать +95 °С.
Насос BOXER 80-A имеет производительность от 0,6 до 6 м3/час (от 10 до 100 л/мин). Напор зависит от давления сжатого воздуха, поэтому не может превышать 7 бар. Насос BOXER 80-A может работать в режиме самовсоса, но при этом вязкость жидкости не должна превышать 10 000 сстокс. При высоте самовсоса 7 метров насос теряет 45% своей производительности.
Демпфер пульсации и фланцы
К насосу BOXER 81 подходит гаситель пульсации EQUAFLUX 100. В зависимости от исполнения насоса корпус гасителя также может быть разным.
При необходимости к насосу может быть поставлен комплект из двух фланцев (накручиваются на резьбовые патрубки насоса) на 25 мм.
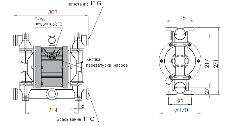
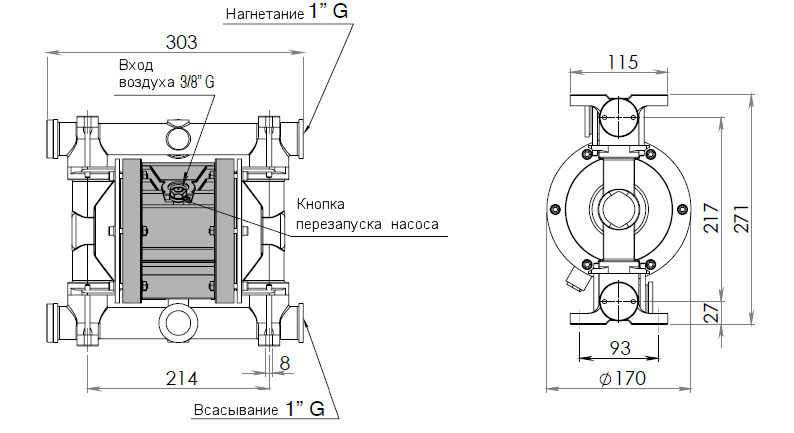
Габаритный чертеж насоса Debem BOXER 80-A
Кривые производительности
У нас пока нет отзывов по этой модели.
В настоящее время никто вопросов не задавал. Вы можете быть первым.




































_1.jpg)




























































































































































































































































Гарантия 12 мес.