Видео
Выбираем насос для химии
Как выбрать насос для кислоты и другой химии
Промывка мембранников
Промой мембранный насос правильно
Активный и пассивный демпферы пульсаций. Сравнительный тест.
Описание модели BOXER 81-AL
Мембранный пневматический насос Debem BOXER 81-AL больше не доступен для заказа. Замена ему - модель Debem BOXER 90-AL.
Мембранный пневматический насос BOXER 81-AL из алюминия итальянской фирмы Debem предназначен для перекачивания жидкостей, с которыми плохо справляются центробежные насосы. К ним относятся вязкие (до 25 000 сстокс), агрессивные, легковоспламеняющиеся жидкости с возможным содержанием твердых абразивных частиц. Насос BOXER 81-AL при работе использует энергию сжатого воздуха от 2 до 7 бар (в паре с насосом необходим компрессор).
BOXER 81-AL - это условное название модели, полный артикул насоса IB81-ALHTAAT--, он содержит информацию о материалах элементов конструкции.

Корпус насоса BOXER 81-AL выполнен из алюминия. Мембраны сдвоенной конструкции Hytrel+PTFE: внутренняя мембрана со стороны воздуха из хайтрела, внешняя мембрана со стороны жидкости из тефлона. Шарики и седла клапана из нержавеющей стали, прокладки и уплотнительные кольца из тефлона.
По умолчанию насос имеет защищенное исполнение - сертифицирован по взрывозащите II 3/3 GD c IIB T 135°C, а по спец. запросу может быть поставлен вариант для категории взрывозащиты 2G.
Максимальная температура перекачиваемой жидкости +95 °С.
Насос BOXER 81-AL имеет производительность от 0,6 до 6 м3/час (от 10 до 100 л/мин). Напор зависит от давления сжатого воздуха, поэтому не может превышать 7 бар. Насос BOXER 81-AL может работать в режиме самовсоса, но при этом вязкость жидкости не должна превышать 10 000 сстокс. При высоте самовсоса 7 метров насос теряет 45% своей производительности.
Демпфер пульсации и фланцы
К насосу BOXER 81 подходит гаситель пульсации EQUAFLUX 100. В зависимости от исполнения насоса корпус гасителя также может быть разным.
При необходимости к насосу может быть поставлен комплект из двух фланцев (накручиваются на резьбовые патрубки насоса) на 25 мм.
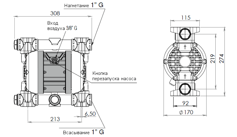
Габаритный чертеж насоса Debem BOXER 80-AL
Кривые производительности
У нас пока нет отзывов по этой модели.
В настоящее время никто вопросов не задавал. Вы можете быть первым.




































_1.jpg)






























































































































































































































































Гарантия 12 мес.