Описание модели FDM 07
Мембранный пневматический насос Flux FDM 07 производства компании FLUX-GERATE GMBH (Германия) предназначен для работы с агрессивными растворами различного химического состава. Перекачиваемая среда может быть вязкой, клейкой, абразивной и содержать твердые включения до 1,6 мм. Конструкция насоса не требует смазки. Давление воздуха, подаваемого компрессором, должно быть от 2 до 8,6 бара. Модель появилсь в 2014 году для смены модели FDM06
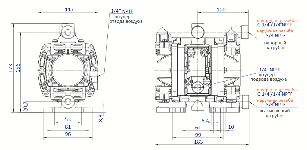
Производительность насоса составляет от 0,06 до 1,2 м3/час (от 1 до 20 л/мин), максимальный напор 80 метров при нулевом расходе. Высота самовсоса по сухой линии достигает 4,5 метра, в залитой линии до 9,5 метра. Всасывающий и напорный патрубки имеют гибридную резьбу внутреннюю 1/4" NPTF, G 1/4" и наружнюю 3/4" NPTF. Штуцер подвода воздуха - 1/4" ( NPTF).
Насос выпускается в трех вариантах исполнения:
FDM 07 PP/AA - корпус из полипропилена (PP), мембраны из сантопрена, вес 1,3 кг. Рабочая температура жидкости до 60 °C;
FDM 07 PP/TT - корпус из полипропилена (PP), мембраны из тефлона (PTFE), вес 1,3 кг. Рабочая температура жидкости до 60 °C;
FDM 07 AC/TT - корпус из полиацеталя (AC), мембраны из тефлона (PTFE), вес 1,6 кг. Рабочая температура жидкости до 65 °C. Сертификат по ATEX для применения во взрывоопасных средах.
Материалы конструкции модели подбираются в соответствии с подаваемой средой. Ниже под заголовком «Совместимость корпуса насоса с перекачиваемой средой» показаны оптимальные сочетания материалов с жидкостями.
График эксплуатационных характеристик модели FDM 07
Габаритный чертеж насоса Flux FDM 07
У нас пока нет отзывов по этой модели.
В настоящее время никто вопросов не задавал. Вы можете быть первым.




































_1.jpg)




























































































































































































































































Гарантия 12 мес.