Описание модели FDM 80
Мембранный пневматический насос Flux FDM 80 производства компании FLUX-GERATE GMBH (Германия) предназначен для работы с агрессивными растворами различного химического состава. Перекачиваемая среда может быть вязкой (до 30000 Cps), клейкой, абразивной и содержать твердые включения до 9,5 мм. Давление воздуха, подаваемого компрессором, должно быть от 2 до 8 бар.
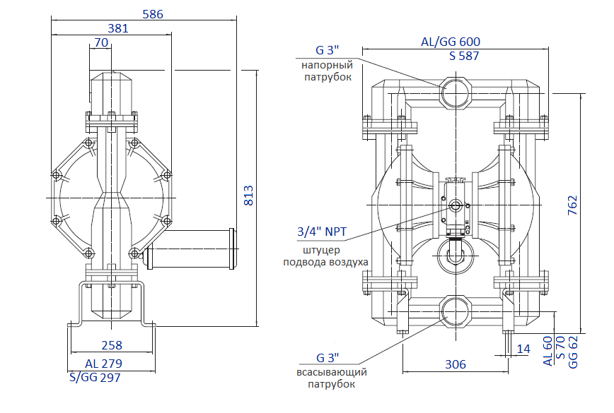
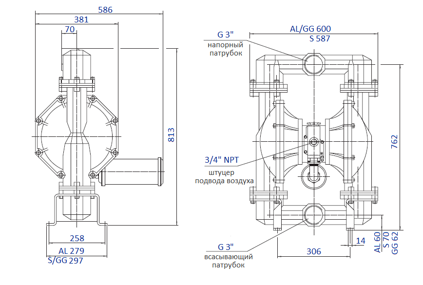
Производительность насоса составляет от 0,06 до 62,4 м3/час (от 1 до 1040 л/мин), а максимальный напор достигает 80 метров при нулевом расходе. Высота самовсоса по сухой линии до 6 метров, в залитой линии до 7,6 метра. Диаметр всасывающего и напорного патрубков 3" (внутренняя резьба). Штуцер подвода воздуха 3/4" NPT (трубная резьба).
Насос выпускается в четырех вариантах исполнения:
FDM 80 AL/NN - корпус из алюминия, мембраны из нитрилкаучука (NBR), вес 58,8 кг. Рабочая температура жидкости до 80 °C;
FDM 80 AL/TT – корпус из алюминия, мембраны из тефлона (PTFE), вес 58,8 кг. Рабочая температура жидкости до 100 °C;
FDM 80 S/TT - корпус из нержавеющей стали, мембраны из тефлона (PTFE), вес 103,8 кг. Рабочая температура жидкости до 100 °C;
FDM 80 GG/NN - корпус из чугуна, мембраны из тефлона (PTFE), вес 98,2 кг. Рабочая температура жидкости до 100 °C.
Все версии насосов сертифицированы по ATEX для применения во взрывоопасных средах.
Материалы конструкции модели подбираются в соответствии с подаваемой средой. Ниже под заголовком «Совместимость корпуса насоса с перекачиваемой средой» показаны оптимальные сочетания материалов с жидкостями.
График эксплуатационных характеристик модели FDM 80
Габаритный чертеж насоса Flux FDM 80
У нас пока нет отзывов по этой модели.
В настоящее время никто вопросов не задавал. Вы можете быть первым.




































_1.jpg)




























































































































































































































































Гарантия 12 мес.