Описание модели FDM 40
Мембранный пневматический насос Flux FDM 40 производства компании FLUX-GERATE GMBH (Германия) предназначен для работы с агрессивными растворами различного химического состава. Перекачиваемая среда может быть вязкой (до 30000 Cps), клейкой, абразивной и содержать твердые включения до 6,4 мм. Давление воздуха, подаваемого компрессором, должно быть от 2 до 8 бар.
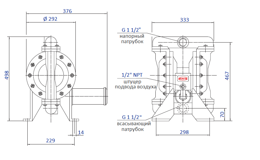
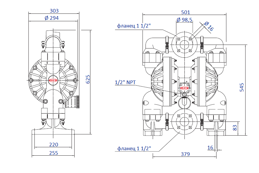
Производительность насоса у пластиковых моделей от 0,06 до 22,8 м3/час (от 1 до 380 л/мин), у металлических от 0,06 до 20,4 м3/час (от 1 до 340 л/мин). Максимальный напор достигает 80 метров при нулевом расходе. Высота самовсоса по сухой линии до 4,2 метра, в залитой линии до 7,6 метра. Диаметр всасывающего и напорного патрубков у моделей из пластика 40 мм (фланец), у моделей из металла 1 1/2" (внутренняя резьба). Штуцер подвода воздуха - 1/2" (трубная резьба).
Насос выпускается в семи вариантах исполнения:
FDM 40 PP/AA, FDM 40 PP/TT - корпуса из полипропилена (PP), мембраны соответственно из сантопрена и тефлона (PTFE), вес 28,1 кг. Рабочая температура жидкости до 65 °C;
FDM 40 PVDF/TT - корпус из фторопласта (PVDF), мембраны из тефлона (PTFE), вес 41,7 кг. Рабочая температура жидкости до 90 °C;
FDM 40 AL/TT, FDM 40 AL/NN - корпуса из алюминия, мембраны соответственно из тефлона (PTFE) и нитрилкаучука (NBR), вес 23,4 кг. Рабочая температура жидкости до 100 °C (80 °C для NBR). Сертификат по ATEX для применения во взрывоопасных средах;
FDM 40 S/TT - корпус из нержавеющей стали, мембраны из тефлона (PTFE), вес 38,3 кг. Рабочая температура жидкости до 100 °C. Сертификат по ATEX для применения во взрывоопасных средах;
FDM 40 GG/NN - корпус из чугуна, мембраны из нитрилкаучука (NBR), вес 36,1 кг. Рабочая температура жидкости до 80 °C. Сертификат по ATEX для применения во взрывоопасных средах.
Материалы конструкции модели подбираются в соответствии с подаваемой средой. Ниже под заголовком «Совместимость корпуса насоса с перекачиваемой средой» показаны оптимальные сочетания материалов с жидкостями.
График эксплуатационных характеристик модели FDM 40, корпус из PP, PVDF
График эксплуатационных характеристик модели FDM 40, корпус из AL, S, GG
Габаритный чертеж насоса Flux FDM 40, корпус из PP, PVDF
Габаритный чертеж насоса Flux FDM 40, корпус из AL, S, GG
У нас пока нет отзывов по этой модели.
В настоящее время никто вопросов не задавал. Вы можете быть первым.




































_1.jpg)





























































































































































































































































Гарантия 12 мес.