Описание модели FDM 50
Мембранный пневматический насос Flux FDM 50 производства компании FLUX-GERATE GMBH (Германия) предназначен для работы с агрессивными растворами различного химического состава. Перекачиваемая среда может быть вязкой (до 20000 Cps), клейкой, абразивной и содержать твердые включения до 6,4 мм. Давление воздуха, подаваемого компрессором, должно быть от 2 до 8 бар.
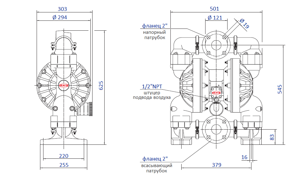
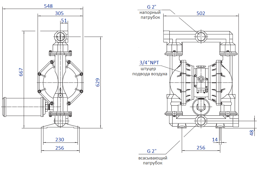
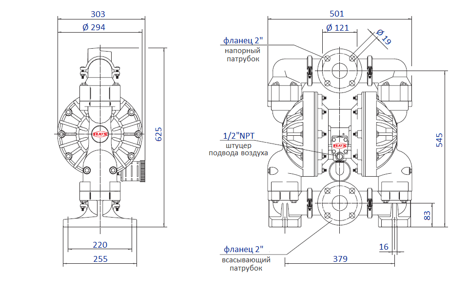
Производительность насоса у пластиковых моделей от 0,06 до 32,4 м3/час (от 1 до 540 л/мин), у металлических от 0,06 до 39 м3/час (от 1 до 650 л/мин). Максимальный напор достигает 80 метров при нулевом расходе. Высота самовсоса по сухой линии до 4 метров, в залитой линии до 7,6 метра. Диаметр всасывающего и напорного патрубков у моделей из пластика 50 мм (фланец), у моделей из металла 2" (внутренняя резьба). Штуцер подвода воздуха - 1/2" NPT (пластик) и 3/4" NPT (металл).
Насос выпускается в семи вариантах исполнения:
FDM 50 PP/AA, FDM 50 PP/TT - корпуса из полипропилена (PP), мембраны соответственно из сантопрена и тефлона (PTFE), вес 28,1 кг. Рабочая температура жидкости до 65 °C;
FDM 50 PVDF/TT - корпус из фторопласта (PVDF), мембраны из тефлона (PTFE), вес 41,7 кг. Рабочая температура жидкости до 90 °C;
FDM 50 AL/TT, FDM 50 AL/NN - корпуса из алюминия, мембраны соответственно из тефлона (PTFE) и нитрилкаучука (NBR), вес 41,5 кг. Рабочая температура жидкости до 100 °C (80 °C для NBR). Сертификат по ATEX для применения во взрывоопасных средах;
FDM 50 S/TT - корпус из нержавеющей стали, мембраны из тефлона (PTFE), вес 68 кг. Рабочая температура жидкости до 100 °C. Сертификат по ATEX для применения во взрывоопасных средах;
FDM 50 GG/NN - корпус из чугуна, мембраны из тефлона (PTFE), вес 66,9 кг. Рабочая температура жидкости до 100 °C. Сертификат по ATEX для применения во взрывоопасных средах.
Материалы конструкции модели подбираются в соответствии с подаваемой средой. Ниже под заголовком «Совместимость корпуса насоса с перекачиваемой средой» показаны оптимальные сочетания материалов с жидкостями.
График эксплуатационных характеристик модели FDM 50, корпус из PP, PVDF
График эксплуатационных характеристик модели FDM 50, корпус из AL, S, GG
Габаритный чертеж насоса Flux FDM 50, корпус из PP, PVDF
Габаритный чертеж насоса Flux FDM 50, корпус из AL, S, GG
У нас пока нет отзывов по этой модели.
В настоящее время никто вопросов не задавал. Вы можете быть первым.




































_1.jpg)





























































































































































































































































Гарантия 12 мес.