Описание модели FDM 25
Мембранный пневматический насос Flux FDM 25 производства компании FLUX-GERATE GMBH (Германия) предназначен для работы с агрессивными растворами различного химического состава. Перекачиваемая среда может быть вязкой, клейкой, абразивной и содержать твердые включения до 3,2 мм. Давление воздуха, подаваемого компрессором, должно быть от 2 до 8 бар.
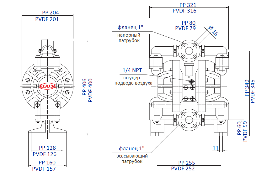
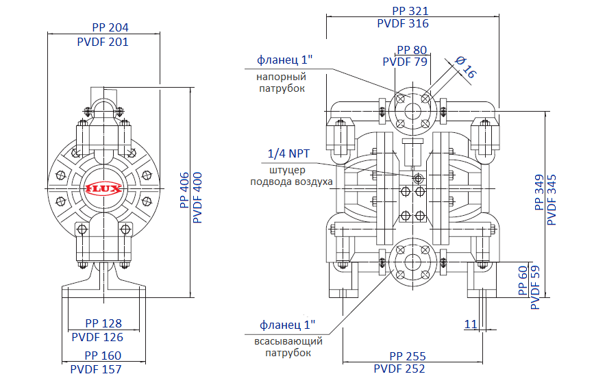
Производительность насоса у пластиковых моделей от 0,06 до 10,68 м3/час (от 1 до 178 л/мин), у металлических от 0,06 до 7,98 м3/час (от 1 до 133 л/мин). Максимальный напор достигает 80 метров при нулевом расходе. Высота самовсоса по сухой линии до 4,5 метра, в залитой линии до 7,6 метра. Диаметр всасывающего и напорного патрубков у моделей из пластика 25 мм (фланец), у моделей из металла 1" (внутренняя резьба). Штуцер подвода воздуха - 1/4" (трубная резьба).
Насос выпускается в шести вариантах исполнения:
FDM 25 PP/AA, FDM 25 PP/TT - корпуса из полипропилена (PP), мембраны соответственно из неопрена (CR) и тефлона (PTFE), вес 9,2 кг. Рабочая температура жидкости до 65 °C;
FDM 25 PVDF/TT - корпус из фторопласта (PVDF), мембраны из тефлона (PTFE), вес 13 кг. Рабочая температура жидкости до 90 °C;
FDM 25 AL/TT, FDM 25 AL/NN - корпуса из алюминия, мембраны соответственно из тефлона (PTFE) и нитрилкаучука (NBR), вес 8,6 кг. Рабочая температура жидкости до 100 °C (80 °C для NBR). Сертификат по ATEX для применения во взрывоопасных средах;
FDM 25 S/TT - корпус из нержавеющей стали, мембраны из тефлона (PTFE), вес 16,3 кг. Рабочая температура жидкости до 100 °C. Сертификат по ATEX для применения во взрывоопасных средах.
Материалы конструкции модели подбираются в соответствии с подаваемой средой. Ниже под заголовком «Совместимость корпуса насоса с перекачиваемой средой» показаны оптимальные сочетания материалов с жидкостями.
График эксплуатационных характеристик модели FDM 25, корпус из PP, PVDF
График эксплуатационных характеристик модели FDM 25, корпус из AL, S
Габаритный чертеж насоса Flux FDM 25, корпус из PP, PVDF
Габаритный чертеж насоса Flux FDM 25, корпус из AL, S
У нас пока нет отзывов по этой модели.
В настоящее время никто вопросов не задавал. Вы можете быть первым.




































_1.jpg)





























































































































































































































































Гарантия 12 мес.