Описание модели FDM 12
Мембранный пневматический насос Flux FDM 12 производства компании FLUX-GERATE GMBH (Германия) предназначен для работы с агрессивными растворами различного химического состава. Перекачиваемая среда может быть вязкой, клейкой, абразивной и содержать твердые включения до 2,4 мм. Давление воздуха, подаваемого компрессором, должно быть от 2 до 7 бар.
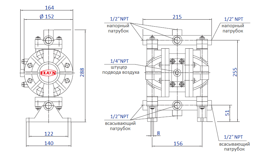
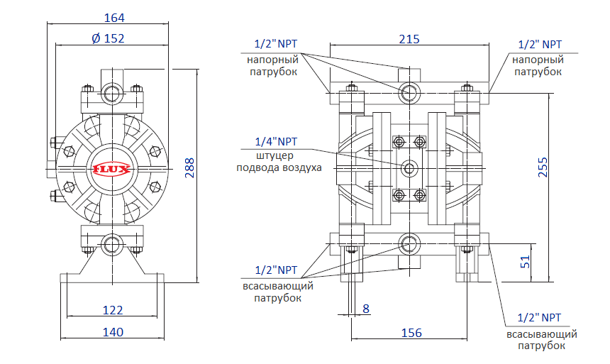
Производительность насоса составляет от 0,06 до 3,3 м3/час (от 1 до 55 л/мин), а максимальный напор достигает 70 метров при нулевом расходе. Высота самовсоса по сухой линии до 3 метров, в залитой линии до 7,6 метра. Диаметр всасывающего и напорного патрубков 1/2" (трубная резьба). Штуцер подвода воздуха - 1/4" (трубная резьба).
Насос выпускается в восьми вариантах исполнения:
FDM 12 PP/CC, FDM 12 PP/AA, FDM 12PP/TT - корпуса из полипропилена (PP), мембраны соответственно из неопрена (CR), сантопрена, тефлона (PTFE), вес 3,4 кг. Рабочая температура жидкости до 65 °C;
FDM 12 AC/TS - корпус из полиацеталя (AC), мембраны из тефлона (PTFE), вес 4 кг. Рабочая температура жидкости до 80 °C. Сертификат по ATEX для применения во взрывоопасных средах;
FDM 12 PVDF/TT - корпус из фторопласта (PVDF), мембраны из тефлона (PTFE), вес 4,7кг. Рабочая температура жидкости до 90 °C;
FDM 12 AL/TT, FDM 12 AL/NN - корпуса из алюминия, мембраны соответственно из тефлона (PTFE) и нитрилкаучука (NBR), вес 3,8 кг. Рабочая температура жидкости до 100 °C (80 °C для NBR). Сертификат по ATEX для применения во взрывоопасных средах;
FDM 12 S/TT - корпус из нержавеющей стали, мембраны из тефлона (PTFE), вес 6,6 кг. Рабочая температура жидкости до 100 °C. Сертификат по ATEX для применения во взрывоопасных средах.
Материалы конструкции модели подбираются в соответствии с подаваемой средой. Ниже под заголовком «Совместимость корпуса насоса с перекачиваемой средой» показаны оптимальные сочетания материалов с жидкостями.
График эксплуатационных характеристик модели FDM 12
Габаритный чертеж насоса Flux FDM 12
У нас пока нет отзывов по этой модели.
В настоящее время никто вопросов не задавал. Вы можете быть первым.




































_1.jpg)






























































































































































































































































Гарантия 12 мес.