Описание модели HUSKY 1050P-P01-A-P1-PP-PT-PT-PT
Мембранный пневматический насос Graco HUSKY 1050P-P01-A-P1-PP-PT-PT-PT (заводской артикул 649006) имеет корпус из полипропилена, мембраны PTFE/EPDM: со стороны жидкости мембрана из тефлона (PTFE), со стороны воздуха мембрана из пропиленового каучука (EPDM). Седла клапанов из полипропилена, шариковые клапаны из тефлона. Насос предназначен для перекачивания кислот и щелочей, грунтовок и красок, а также различных нейтральных сред, в том числе воды, антифризов, масел, моющих жидкостей. Работает от энергии сжатого воздуха, давление воздуха на входе в насос должно быть от 1,4 до 8,6 бар.
Температура рабочей жидкости для данной модели должна быть от +4 до +66 °C.
Производительность насоса составляет от 0,6 до 11,3 м3/час (от 10 до 189 л/мин). Максимальный напор жидкости 86 метров.
Максимальный расход воздуха 1897 л/мин.
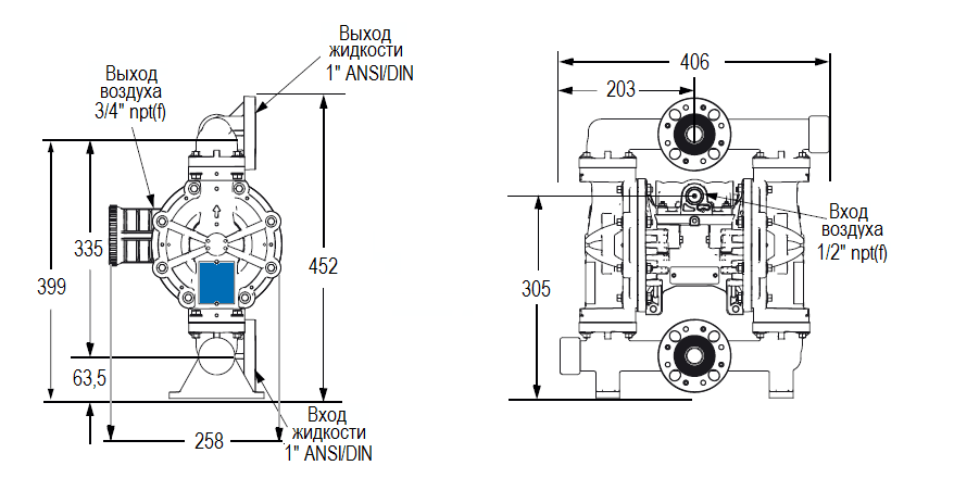
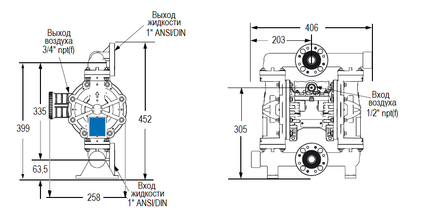
Всасывающий/напорный патрубки диаметром 1" (25 мм) с фланцами ANSI/DIN по центру. Диаметр канала подачи воздуха - 1/2" npt.
Допустимая вязкость жидкости до 10 000 сстокс, допустимый диаметр твердых включений в жидкости до 2,5 мм.
Максимальная высота самовсоса по сухой линии 4,9 метра, а по заполненной 8,8 метра.
Работа в режиме самовсоса, а также перекачивание жидкости повышенной вязкости снижают производительность.
Максимальная скорость работы насоса 280 циклов в минуту. За один цикл насос перекачивает 640 см3 жидкости. При работе насоса в непрерывном режиме рекомендуется скорость работы от 93 до 140 циклов в минуту. При работе в системе циркуляции рекомендуемая скорость 20 циклов в минуту.
Уровень шума при давлении 4,8 бар составляет 84 дБ, а при давлении 7 бар 96 дБ.
Рабочие характеристики насоса Graco HUSKY 1050P-P01-A-P1-PP-PT-PT-PT
Габаритный чертеж насоса Graco HUSKY 1050P-P01-A-P1-PP-PT-PT-PT
У нас пока нет отзывов по этой модели.
В настоящее время никто вопросов не задавал. Вы можете быть первым.




































_1.jpg)




























































































































































































































































Гарантия 12 мес.