Описание модели HUSKY 716-SS-SS-SS-PTFE
Мембранный пневматический насос Graco HUSKY 716-SS-SS-SS-PTFE (заводской артикул D5C311) имеет корпус из нержавеющей стали 316, мембраны из Тефлона (PTFE), шариковые клапаны и седла из нержавеющей стали. Это классический насос для жидкостей разной степени вязкости, в том числе с содержанием твердых включений. Насос подходит для перекачки воды, масел, некоторых растворителей, антифриза, моющих жидкостей. Работает от энергии сжатого воздуха, давление воздуха на входе в насос должно быть от 2,1 до 7 бар.
Температура перекачиваемой жидкости с учетом материалов конструкции от +4 до +104 °C.
Производительность насоса составляет от 0,3 до 3,1 м3/час (от 5 до 52 л/мин). Максимальный напор жидкости 70 метров.
Максимальный расход воздуха 672 л/мин.
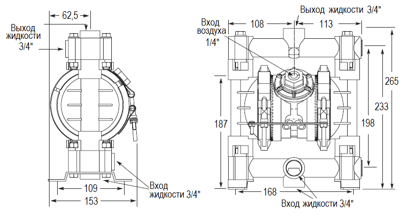
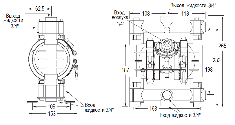
Всасывающий/напорный патрубки диаметром 3/4" резьба bsp, соединение для подвода воздуха - 1/4" npt.
Допустимая вязкость жидкости до 5 000 сстокс, допустимый диаметр твердых включений в жидкости до 2,5 мм.
Максимальная высота самовсоса по сухой линии 4,5 метра, а по заполненной 3,2 метра.
Работа в режиме самовсоса, а также перекачивание жидкости повышенной вязкости снижают производительность.
Максимальная скорость работы насоса 400 циклов в минуту. За один цикл насос перекачивает 150 см3 жидкости.
Уровень шума при давлении 4,8 бар составляет 77 дБ, а при давлении 7 бар уровень шума 95 дБ.
Рабочие характеристики насоса Graco HUSKY 716-SS-SS-SS-PTFE
Габаритный чертеж насоса Graco HUSKY 716-SS-SS-SS-PTFE
У нас пока нет отзывов по этой модели.
В настоящее время никто вопросов не задавал. Вы можете быть первым.




































_1.jpg)




























































































































































































































































Гарантия 12 мес.