Описание модели HUSKY 15120P-P01-A-P1-PP-PT-PT-PT
Мембранный пневматический насос Graco HUSKY 15120P-P01-A-P1-PP-PT-PT-PT (заводской артикул 654504) имеет корпус из полипропилена, мембраны PTFE/Santoprene: со стороны жидкости мембрана из тефлона (PTFE), со стороны воздуха мембрана из сантопрена (Santoprene). Седла клапанов из полипропилена, шариковые клапаны из тефлона. Насос предназначен для перекачивания кислот и щелочей, грунтовок и красок, а также различных нейтральных сред, в том числе воды, антифризов, масел, моющих жидкостей. Работает от энергии сжатого воздуха, давление воздуха на входе в насос должно быть от 1,4 до 8,6 бар.
Температура перекачиваемой жидкости с учетом материалов конструкции от +4 до +66 °C.
Производительность насоса составляет от 1 до 27,2 м3/час (от 16 до 454 л/мин). Максимальный напор жидкости 86 метров.
Максимальный расход воздуха 2,4 м3/мин.
Всасывающий и напорный патрубки диаметром 1-1/2" (40 мм) с фланцами ANSI/DIN по центру. Диаметр канала подачи воздуха - 1/2" npt.
Допустимая вязкость жидкости до 15 000 сстокс, допустимый диаметр твердых включений в жидкости до 6,3 мм.
Максимальная высота самовсоса по сухой линии 4,9 метра, а по заполненной 9,4 метра.
Работа в режиме самовсоса, а также перекачивание жидкости повышенной вязкости снижают производительность.
Максимальная скорость работы насоса 183 цикла в минуту. За один цикл насос перекачивает 2,5 литра жидкости.
Уровень шума 102 дБ при давлении 7 бар, 90 дБ при давлении 4,8 бар.
Рабочие характеристики насоса Graco HUSKY 15120P-P01-A-P1-PP-PT-PT-PT
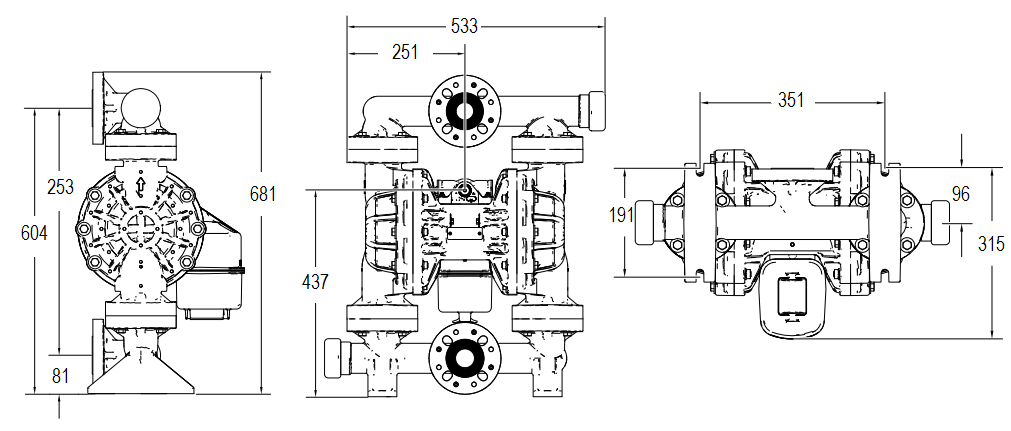
Габаритный чертеж насоса Graco HUSKY 15120P-P01-A-P1-PP-PT-PT-PT
У нас пока нет отзывов по этой модели.
В настоящее время никто вопросов не задавал. Вы можете быть первым.




































_1.jpg)




























































































































































































































































Гарантия 12 мес.