Описание модели HUSKY 1590-SS-SS-HS-PTFE
Мембранный пневматический насос Graco HUSKY 1590-SS-SS-HS-PTFE (заводской артикул DBD341) имеет корпус из нержавеющей стали 316, мембраны из Тефлона (PTFE), шариковые клапаны и седла из нержавеющей стали. Это классический насос для перекачки нейтральных жидкостей разной степени вязкости, в том числе с содержанием твердых включений. Насос подходит для перекачки воды, масел, некоторых растворителей, антифриза, моющих жидкостей. Работает от энергии сжатого воздуха, давление воздуха на входе в насос должно быть от 1,4 до 8,4 бар.
Температура перекачиваемой жидкости с учетом материалов конструкции от +4 до +104 °C.
Производительность насоса составляет от 1 до 22,7 м3/час (от 16 до 378,5 л/мин). Максимальный напор жидкости 84 метра.
Максимальный расход воздуха 3,5 м3/мин.
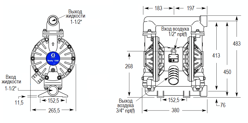
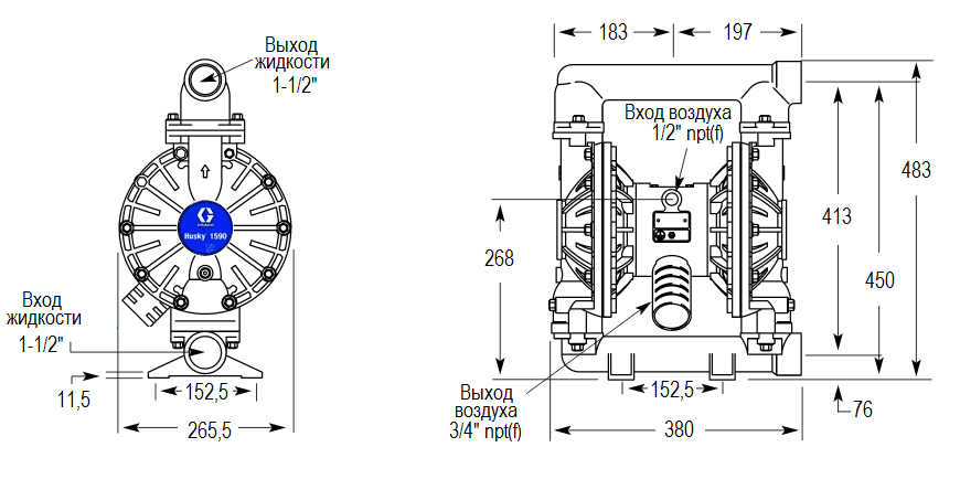
Всасывающий/напорный патрубки диаметром 1-1/2"резьба bsp. Диаметр канала подачи воздуха - 1/2" npt.
Допустимая вязкость жидкости до 15 000 сстокс, допустимый диаметр твердых включений в жидкости до 4,8 мм.
Максимальная высота самовсоса по сухой линии 6,1 метра.
Работа в режиме самовсоса, а также перекачивание жидкости повышенной вязкости снижают производительность.
Максимальная скорость работы насоса 200 циклов в минуту. За один цикл насос перемещает 1,9 литра жидкости.
При работе насоса в непрерывном режиме рекомендуется скорость работы от 90 до 140 циклов в минуту. При работе в системе циркуляции рекомендуемая скорость 20 циклов в минуту.
Уровень шума при давлении 4,8 бар составляет 84 дБ, а при давлении 7 бар 96 дБ.
Рабочие характеристики насоса Graco HUSKY 1590-SS-SS-HS-PTFE
Габаритный чертеж насоса Graco HUSKY 1590-SS-SS-HS-PTFE
У нас пока нет отзывов по этой модели.
В настоящее время никто вопросов не задавал. Вы можете быть первым.




































_1.jpg)




























































































































































































































































Гарантия 12 мес.