Описание модели HUSKY 1590-AL-HY-HY-HY
Мембранный пневматический насос Graco HUSKY 1590-AL-HY-HY-HY (заводской артикул DBC555) имеет корпус из алюминия, мембраны из Хайтрела (Hytrel), седла клапанов из нержавеющей стали, шариковые клапаны из хайтрела. Насос предназначен для перекачивания топлива, в том числе бензина и керосина, горючих масел, а также различных нейтральных сред, в том числе воды, антифризов, масел, моющих жидкостей. Работает от энергии сжатого воздуха, давление воздуха на входе в насос должно быть от 1,4 до 8,4 бар.
Алюминиевый корпус насоса хорошо проводит ток. При условии заземления насос может работать во взрывоопасной зоне (класс взрывозащиты II 2G IIC T4).
Температура перекачиваемой среды с учетом материалов конструкции от -29 до +66 °C.
Производительность насоса составляет от 1 до 22,7 м3/час (от 16 до 378,5 л/мин). Максимальный напор жидкости 84 метра.
Максимальный расход воздуха 3,5 м3/мин.
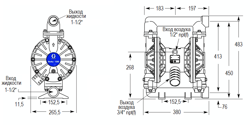
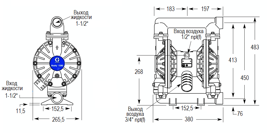
Всасывающий/напорный патрубки диаметром 1-1/2"резьба bsp. Диаметр канала подачи воздуха - 1/2" npt.
Допустимая вязкость жидкости до 15 000 сстокс, допустимый диаметр твердых включений в жидкости до 4,8 мм.
Максимальная высота самовсоса по сухой линии 6,1 метра.
Работа в режиме самовсоса, а также перекачивание жидкости повышенной вязкости снижают производительность.
Максимальная скорость работы насоса 200 циклов в минуту. За один цикл насос перемещает 1,9 литра жидкости.
При работе насоса в непрерывном режиме рекомендуется скорость работы от 90 до 140 циклов в минуту. При работе в системе циркуляции рекомендуемая скорость 20 циклов в минуту.
Уровень шума при давлении 4,8 бар составляет 84 дБ, а при давлении 7 бар 96 дБ.
Рабочие характеристики насоса Graco HUSKY 1590-AL-HY-HY-HY
Габаритный чертеж насоса Graco HUSKY 1590-AL-HY-HY-HY
У нас пока нет отзывов по этой модели.
В настоящее время никто вопросов не задавал. Вы можете быть первым.




































_1.jpg)




























































































































































































































































Гарантия 12 мес.