Описание модели PD05P-BRS-PTT
Мембранный пневматический насос ARO PD05P-BRS-PTT перекачивает в режиме самовсасывания жидкости и вязкие среды разнообразной химической структуры, в том числе с твердыми фракциями до 2,4 мм. Для работы насоса необходима подача сжатого воздуха с давлением от 2,8 до 6,9 бара.
Корпус полностью из полипропилена, клапаны из тефлона, седла из полипропилена. Мембраны сдвоенной конструкции: со стороны жидкости тефлон, с пневматической стороны сантопрен. Температура рабочей среды должна быть от 0 до 66 °C.
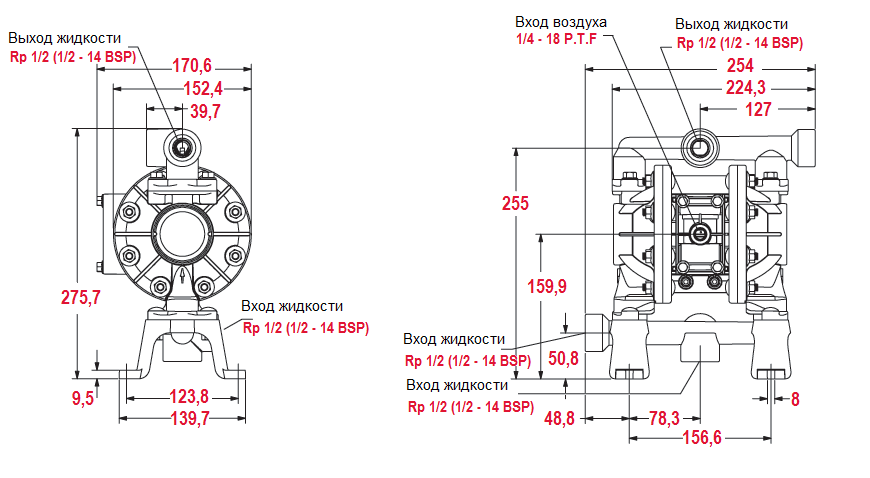
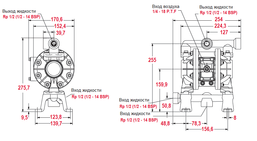
Производительность модели от 1 до 54,5 л/мин (от 0,06 до 3,27 м3/час). Напор регулируется сжатым воздухом и достигает 69 метров. Высота самовсоса 4,5 м. Присоединительный размер всасывающей и нагнетательной линии 1/2" BSP, воздушной линии - 1/4" P.T.F. SAE.
График эксплуатационных характеристик насоса ARO PD05P-BRS-PTT
Габаритный чертеж насоса ARO PD05P-BRS-PTT
У нас пока нет отзывов по этой модели.
В настоящее время никто вопросов не задавал. Вы можете быть первым.




































_1.jpg)




























































































































































































































































Гарантия 12 мес.