Описание модели PD20P-FKS-KTT
Мембранный пневматический насос ARO PD20P-FKS-KTT перекачивает в режиме самовсасывания жидкости и вязкие среды разнообразной химической структуры, в том числе с твердыми фракциями до 6,4 мм. Для работы насоса необходима подача сжатого воздуха с давлением от 2,8 до 8,3 бара.
Корпус проточной части из PVDF, центральная часть из полипропилена, клапаны из тефлона, седла из PVDF. Мембраны сдвоенной конструкции: со стороны жидкости тефлон, с пневматической стороны сантопрен. Допустимая температура рабочей среды от 4 до 104 °C.
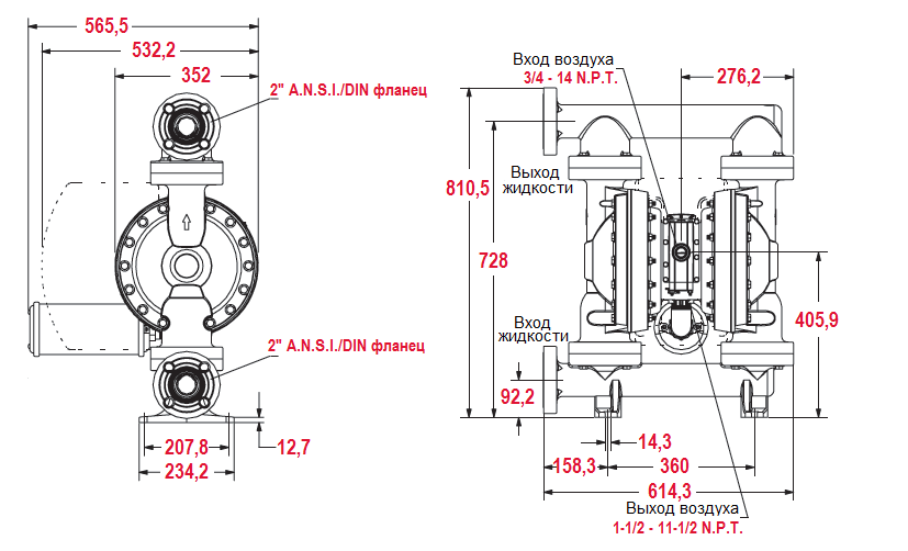
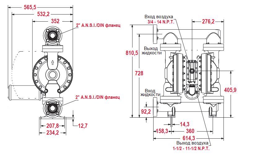
Производительность модели от 1 до 696,4 л/мин (от 0,06 до 41,78 м3/час). Напор регулируется сжатым воздухом и достигает 83 метров. Высота самовсоса 4,2 м. Присоединительный размер всасывающей и нагнетательной линии 2" ANSI/DIN, воздушной линии - 3/4" NPT.
График эксплуатационных характеристик насоса ARO PD20P-FKS-KTT
Габаритный чертеж насоса ARO PD20P-FKS-KTT
У нас пока нет отзывов по этой модели.
В настоящее время никто вопросов не задавал. Вы можете быть первым.




































_1.jpg)






























































































































































































































































Гарантия 12 мес.