Описание модели PD15P-FKS-KAA
Мембранный пневматический насос ARO PD15P-FKS-KAA перекачивает в режиме самовсасывания жидкости и вязкие среды разнообразной химической структуры, в том числе с твердыми фракциями до 6,4 мм. Для работы насоса необходима подача сжатого воздуха с давлением от 2,8 до 8,3 бара.
Корпус проточной части из PVDF, центральная часть из полипропилена, мембраны и клапаны из сантопрена, седла из PVDF. Допустимая температура рабочей среды от - 12 до 82 °C.
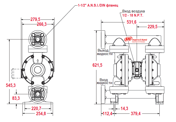
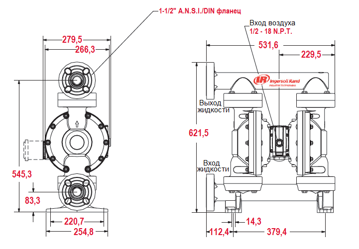
Производительность модели от 1 до 465,9 л/мин (от 0,06 до 27,95 м3/час). Напор регулируется сжатым воздухом и достигает 83 метров. Высота самовсоса 4,2 м. Присоединительный размер всасывающей и нагнетательной линии 1 1/2" ANSI/DIN, воздушной линии - 1/2" NPT.
График эксплуатационных характеристик насоса ARO PD15P-FKS-KAA
Габаритный чертеж насоса ARO PD15P-FKS-KAA
У нас пока нет отзывов по этой модели.
В настоящее время никто вопросов не задавал. Вы можете быть первым.




































_1.jpg)





























































































































































































































































Гарантия 12 мес.