Описание модели PD10P-BPS-PVV
Мембранный пневматический насос ARO PD10P-BPS-PVV перекачивает в режиме самовсасывания жидкости и вязкие среды разнообразной химической структуры, в том числе с твердыми фракциями до 3,2 мм. Для работы насоса необходима подача сжатого воздуха с давлением от 2,8 до 8,3 бара.
Корпус полностью из полипропилена, мембраны и клапаны из витона, седла из полипропилена. Температура рабочей среды должна быть от 0 до 66 °C.
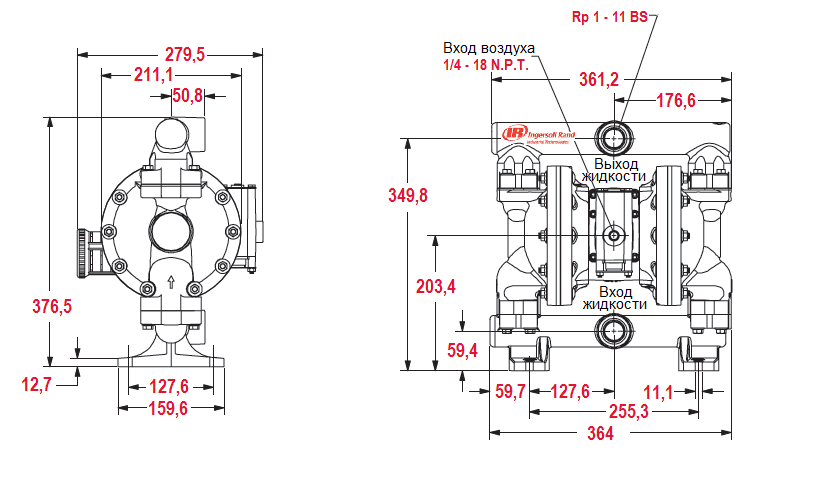
Производительность модели от 1 до 200,6 л/мин (от 0,06 до 12,04 м3/час). Напор регулируется сжатым воздухом и достигает 83 метров. Высота самовсоса 5,7 м. Присоединительный размер всасывающей и нагнетательной линии 1" BSP, воздушной линии - 1/4" NPT.
График эксплуатационных характеристик насоса ARO PD10P-BPS-PVV
Габаритный чертеж насоса ARO PD10P-BPS-PVV
У нас пока нет отзывов по этой модели.
В настоящее время никто вопросов не задавал. Вы можете быть первым.




































_1.jpg)





























































































































































































































































Гарантия 12 мес.