Описание модели PD30A-BSS-STT
Мембранный пневматический насос AROPD30A-BSS-STT перекачивает в режиме самовсасывания жидкости и вязкие среды разнообразной химической структуры, в том числе с твердыми фракциями до 9,5 мм. Для работы насоса необходима подача сжатого воздуха с давлением от 2,8 до 8,3 бара.
Корпус проточной части из нержавеющей стали, центральная часть из алюминия, клапаны из тефлона, седла из нержавеющей стали. Мембраны сдвоенной конструкции: со стороны жидкости тефлон, с пневматической стороны сантопрен. Допустимая температура рабочей среды от 4 до 104 °C.
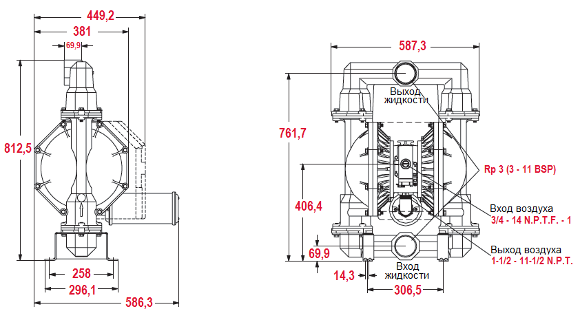
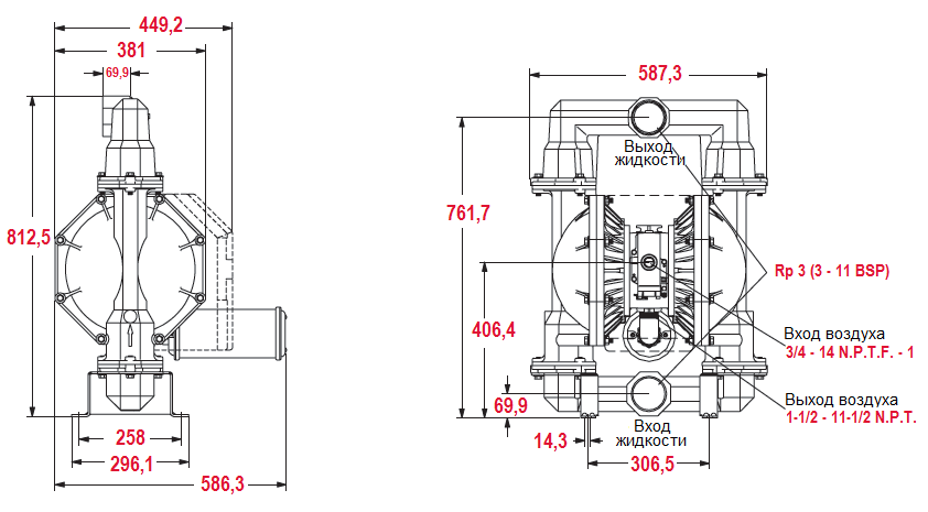
Производительность модели от 1 до 1040,9 л/мин (от 0,06 до 62,45 м3/час). Напор регулируется сжатым воздухом и достигает 83 метров. Высота самовсоса 4,2 м. Присоединительный размер всасывающей и нагнетательной линии 3" BSP, воздушной линии - 3/4" NPTF.
График эксплуатационных характеристик насоса ARO PD30A-BSS-STT
Габаритный чертеж насоса ARO PD30A-BSS-STT
У нас пока нет отзывов по этой модели.
В настоящее время никто вопросов не задавал. Вы можете быть первым.




































_1.jpg)





























































































































































































































































Гарантия 12 мес.