Описание модели PD05R-BSS-SAA
Мембранный пневматический насос ARO PD05R-BSS-SAA перекачивает в режиме самовсасывания жидкости и вязкие среды разнообразной химической структуры, в том числе с твердыми фракциями до 2,4 мм. Для работы насоса необходима подача сжатого воздуха с давлением от 2,8 до 6,9 бара.
Корпус проточной части из нержавеющей стали, центральная часть из полипропилена, мембраны и клапаны из сантопрена, седла из нержавеющей стали. Температура рабочей среды должна быть от - 40 до 82 °C.
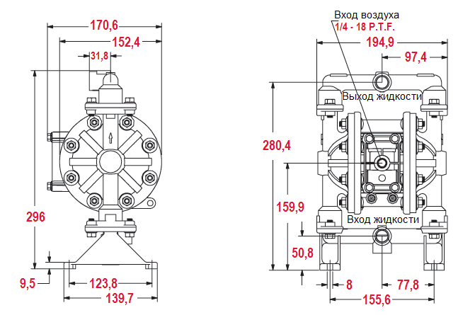
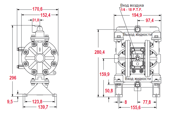
Производительность модели от 1 до 45,4 л/мин (от 0,06 до 2,72 м3/час). Напор регулируется сжатым воздухом и достигает 69 метров. Высота самовсоса 4,5 м. Присоединительный размер всасывающей и нагнетательной линии 1/2" BSP, воздушной линии - 1/4" NPTF.
График эксплуатационных характеристик насоса ARO PD05R-BSS-SAA
Габаритный чертеж насоса ARO PD05R-BSS-SAA
У нас пока нет отзывов по этой модели.
В настоящее время никто вопросов не задавал. Вы можете быть первым.




































_1.jpg)




























































































































































































































































Гарантия 12 мес.