Описание модели PD10A-BAP-CCC
Мембранный пневматический насос ARO PD10A-BAP-CCC перекачивает в режиме самовсасывания жидкости и вязкие среды разнообразной химической структуры, в том числе с твердыми фракциями до 3,3 мм. Для работы насоса необходима подача сжатого воздуха с давлением от 2,8 до 8,3 бара.
Корпус полностью из алюминия, мембраны, клапаны и седла из хайтрела. Температура рабочей среды должна быть от - 29 до 66 °C.
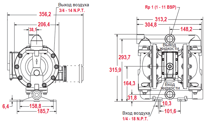
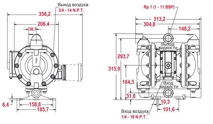
Производительность модели от 1 до 197,6 л/мин (от 0,06 до 11,86 м3/час). Напор регулируется сжатым воздухом и достигает 83 метров. Высота самовсоса 5,7 м. Присоединительный размер всасывающей и нагнетательной линии 1" BSP, воздушной линии - 1/4" NPT.
График эксплуатационных характеристик насоса ARO PD10A-BAP-CCC
Габаритный чертеж насоса ARO PD10A-BAP-CCC
У нас пока нет отзывов по этой модели.
В настоящее время никто вопросов не задавал. Вы можете быть первым.




































_1.jpg)





























































































































































































































































Гарантия 12 мес.