Видео
Вакуумные фильтры: как правильно подобрать?
Насколько горячий воздух в воздуходувке?
Герметизируем вихревую воздуходувку
Поднимет ли воздуходувка арбуз?
Кто громче: воздуходувка или оперный певец?
Разбираем воздуходувку правильно, без поломок и лишних деталей
Как (не) сжечь подшипники у воздуходувки
Описание модели SCL 06
Маленькая одноступенчатая вихревая воздуходувка SCL 06 итальянской фирмы FPZ перемещает чистый воздух и другие неагрессивные газы и может работать в режиме компрессора или вакуумного насоса.
Воздуходувка SCL 06 имеет производительность до 55 м3/час.
В режиме компрессора перепад давлений развивает давление до 90 мбар при нулевом расходе.
В режиме вакуумного насоса развивает давление до 82 мбар при нулевом расходе.
На воздуходувку устанавливается единственный двигатель мощностью 0,2 кВт. Двигатель может быть как однофазный (220 вольт), так и трехфазный (380 вольт). Это подтвержденная информация.
Дополнительные комплектующие
При покупке воздуходувки SCL 06 рекомендуем также приобрести следующие дополнительные комплектующие:
1. Фильтр в сборе (конус) + соединение. Актуален при работе воздуходувки в режиме компрессора. Использование фильтра необходимо для сохранения гарантии.
2. Сменный бумажный фильтрующий элемент (для фильтра в сборе).
3. Вакуумный фильтр. Актуален при работе воздуходувки в режиме вакуумного насоса, если в емкости, откуда откачивается воздух, есть какие-то механические примеси.
4. Установочный комплект (клапан обратный, манометр, гибкий шланг с фитингами, 4 антивибрационных кронштейна).
5. Предохранительный клапан для защиты воздуходувки от перегрева при избыточном перепаде давлений (вакуумный или компрессорный клапан в зависимости от режима, в котором работает воздуходувка). Использование предохранительного клапана необходимо для сохранения гарантии.
Конструкция
Воздуходувки представляют собой единый блок в различных вариантах: как в вертикальном, так и в горизонтальном исполнении. Привод через ременную передачу, либо же напрямую электродвигателем. Материалом для корпуса служит алюминий. В центре корпуса располагается упорный подшипник, что позволяет беспрепятственно заменить его в любой момент.
Условия эксплуатации
- Воздуходувки SCL – предназначены для непрерывного движения воздуха или невзрывчатого, неопасного и невоспламеняющегося газа.
- Твердые частицы, даже маленькие, включая грязь, могут причинить серьезное повреждение, поэтому если есть вероятность попадания в воздуходувку загрязнения, то необходимо обязательно устанавливать фильтр на входное отверстие.
- Воздуходувки, которые не имеют фильтра, не имеют гарантию.
- Ни в коем случае не используйте воздуходувку с закрытым входным или выходным отверстием.
- Защитите воздуходувку соответствующим предохранительным клапаном.
- Входная температура и окружающая температура должны находиться в диапазоне от -15°C до +40°C.
- Следите за тем, чтобы воздуходувка имела хорошую вентиляцию, особенно при продолжительной работе.
Применение
- Рыбоводство;
- Фотографическая, фармацевтическая, химическая промышленность;
- Газовый анализ;
- Использование на очистных сооружениях для аэрации;
- Растаривание мешков;
- Обработка пищевых продуктов;
- В упаковочных и печатных машинах используются для прижима листов;
- Пневомопочта и пневмотранспорт;
- Промышленные пылесосы;
- Подача воздуха в горелки;
- Подъемные вакуумные устройства;
- Стоматологические установки;
- Производство пластика;
- Сушка стеклянной тары.
Нагнетатели воздуха, воздуходувки, турбовоздуходувки, вытяжные вентиляторы, газодувки используются для нагнетания или откачки невзрывоопасных газовых смесей и газов.
Рабочие характеристики воздуходувки SCL 06 в режиме компрессора и в режиме вакуумного насоса
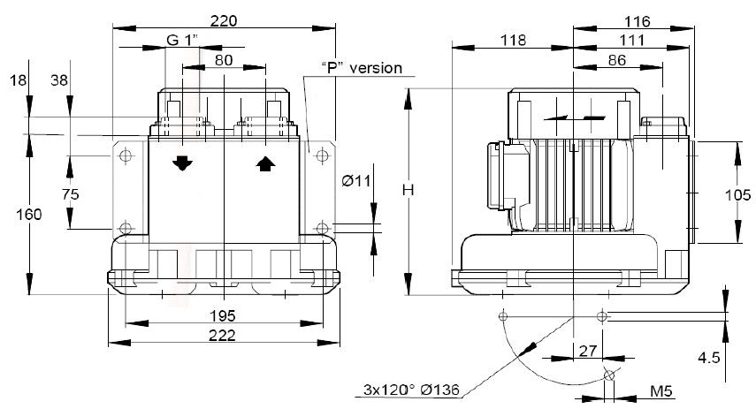
Габаритный чертеж воздуходувки SCL 06
У нас пока нет отзывов по этой модели.
В настоящее время никто вопросов не задавал. Вы можете быть первым.




































_1.jpg)




























































































































































































































































Гарантия 12 мес.