Описание модели SCL K08R-MD
Вихревая воздуходувка SCL K08R-MD итальянской фирмы FPZ имеет одно рабочее колесо, но две рабочие ступени. То есть воздух сначала проходит через лицевую сторону импеллера, а затем через обратную сторону. Это позволяет практически удвоить давление воздуха при падении производительности. Воздуходувка перемещает чистый воздух и другие неагрессивные газы и может работать в режиме компрессора или вакуумного насоса.
Воздуходувка SCL K08R-MD имеет производительность до 236 м3/час при нулевом перепаде давлений.
В компрессорном режиме перепад давлений до 650 мбар при расходе 140 м3/час. При максимальном давлении перепад температуры воздуха 76 °C.
В вакуумном режиме перепад давлений до 450 мбар при расходе 128 м3/час. При максимальном вакууме перепад температуры воздуха 84 °C.
По умолчанию модель SCL K08R-MD в нашем каталоге указана с двигателем 7,5 кВт и массой 68,5 кг. Однако на воздуходувке могут быть установлены и другие двигатели: 3 кВт (49,5 кг), 4 кВт (53 кг), 5,5 (63,5 кг).
Воздуходувка SCL K08R-MD075 оснащена встроенным шумоглушителем на всосе и нагнетании, уровень шума составляет 75 дБ.
Дополнительные комплектующие
При покупке воздуходувки SCL K08R-MD рекомендуем также приобрести следующие дополнительные комплектующие: 1. Фильтр в сборе (конус) + соединение. Актуален при работе воздуходувки в режиме компрессора. Использование фильтра необходимо для сохранения гарантии.
2. Сменный бумажный фильтрующий элемент (для фильтра в сборе).
3. Вакуумный фильтр. Актуален при работе воздуходувки в режиме вакуумного насоса, если в емкости, откуда откачивается воздух, есть какие-то механические примеси.
4. Установочный комплект (клапан обратный, манометр, гибкий шланг с фитингами, 4 антивибрационных кронштейна).
5. Предохранительный клапан для защиты воздуходувки от перегрева при избыточном перепаде давлений (вакуумный или компрессорный клапан в зависимости от режима, в котором работает воздуходувка). Использование предохранительного клапана необходимо для сохранения гарантии.
Конструкция
Воздуходувки представляют собой единый блок в различных вариантах: как в вертикальном, так и в горизонтальном исполнении. Привод через ременную передачу, либо же напрямую электродвигателем. Материалом для корпуса служит алюминий. В центре корпуса располагается упорный подшипник, что позволяет беспрепятственно заменить его в любой момент.
Условия эксплуатации
- Воздуходувки SCL – предназначены для непрерывного движения воздуха или невзрывчатого, неопасного и невоспламеняющегося газа.
- Твердые частицы, даже маленькие, включая грязь, могут причинить серьезное повреждение, поэтому если есть вероятность попадания в воздуходувку загрязнения, то необходимо обязательно устанавливать фильтр на входное отверстие.
- Воздуходувки, которые не имеют фильтра, не имеют гарантию.
- Ни в коем случае не используйте воздуходувку с закрытым входным или выходным отверстием.
- Защитите воздуходувку соответствующим предохранительным клапаном.
- Входная температура и окружающая температура должны находиться в диапазоне от -15°C до +40°C.
- Следите за тем, чтобы воздуходувка имела хорошую вентиляцию, особенно при продолжительной работе.
Применение
- Рыбоводство;
- Фотографическая, фармацевтическая, химическая промышленность;
- Газовый анализ;
- Использование на очистных сооружениях для аэрации;
- Растаривание мешков;
- Обработка пищевых продуктов;
- В упаковочных и печатных машинах используются для прижима листов;
- Пневомопочта и пневмотранспорт;
- Промышленные пылесосы;
- Подача воздуха в горелки;
- Подъемные вакуумные устройства;
- Стоматологические установки;
- Производство пластика;
- Сушка стеклянной тары.
Нагнетатели воздуха, воздуходувки, турбовоздуходувки, вытяжные вентиляторы, газодувки используются для нагнетания или откачки невзрывоопасных газовых смесей и газов.
Рабочие характеристики SCL K08R-MD в режиме компрессора и в режиме вакуума
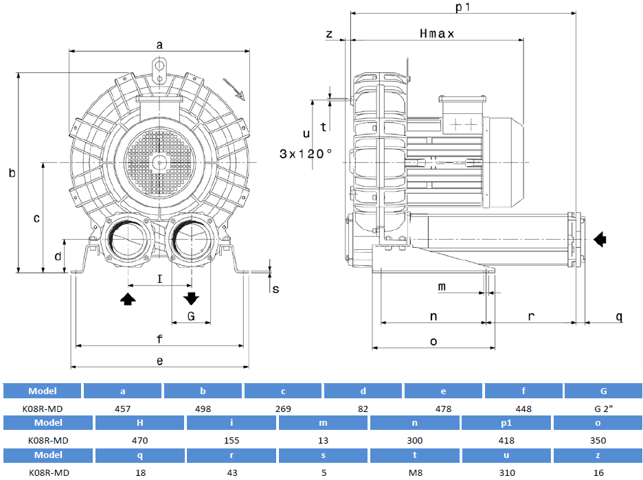
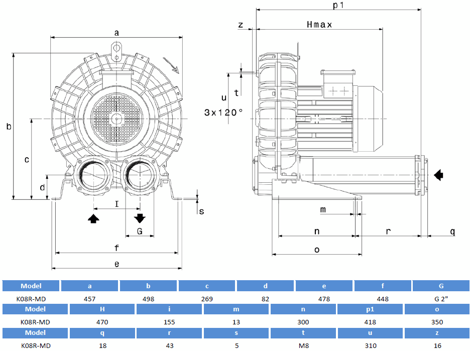
Габаритный чертеж воздуходувки SCL K08R-MD
Видео
Вакуумные фильтры: как правильно подобрать?
Насколько горячий воздух в воздуходувке?
Герметизируем вихревую воздуходувку
Поднимет ли воздуходувка арбуз?
Кто громче: воздуходувка или оперный певец?
Разбираем воздуходувку правильно, без поломок и лишних деталей
Как (не) сжечь подшипники у воздуходувки
У нас пока нет отзывов по этой модели.
В настоящее время никто вопросов не задавал. Вы можете быть первым.




































_1.jpg)




























































































































































































































































Гарантия 12 мес.