Описание модели NM 10/S/A
Насос Calpeda NM 10/S/A – это классический центробежный насос моноблочной конструкции с резьбовыми патрубками. Насос позволяет перекачивать воду и прочие неагрессивные к чугуну жидкости. Производится на заводе Calpeda, расположенном в г. Виченца на севере Италии.
Производительность насоса колеблется от 6,6 до 24,0 м3/час (110-400 л/мин), напор до 23,5 мм.в.ст.
Оптимальная рабочая точка 15,0 м3/ч (250 л/мин) при напоре 20,5 м.в.ст. КПД насоса в указанной точке 72 %.
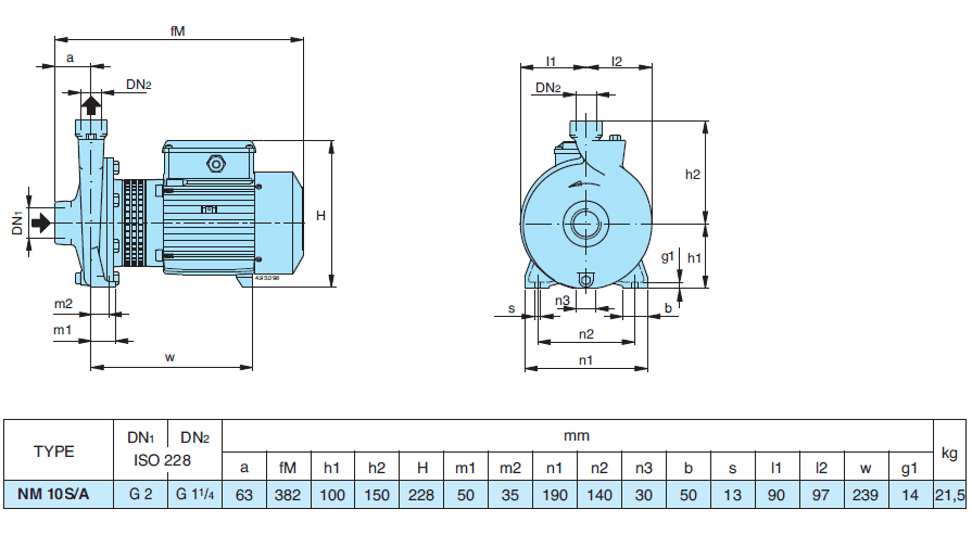
Патрубки по UNI-ISO 228/1: входной G2", выходной G11/4".
Насос оснащен трехфазным двигателем мощностью 1,5 кВт, 220/380 В, 2900 об/мин. Класс защиты IP 54.
Ограничения по эксплуатации
- Температура воды от -10°C до +90°C (от -40 до +200 градусов под заказ).
- Температура вокруг насоса до 40°C.
- Высота подъема жидкости (всасывания) до 7 метров (зависит от модели насоса и конкретной рабочей точки).
- Давление внутри насоса, max: 10 атмосфер (16 атм. для насосов NMD 25/190, NMD 32/210, NMD 40/180).
- Допускается круглосуточная работа насоса.
Другие исполнения по запросу
Параметры защиты IP 55.
Для среды с более высокой или более низкой температурой.
Габаритный чертеж насоса Calpeda NM 10/S/A
Кривые производительности
У нас пока нет отзывов по этой модели.
В настоящее время никто вопросов не задавал. Вы можете быть первым.




































_1.jpg)




























































































































































































































































Гарантия 36 мес.