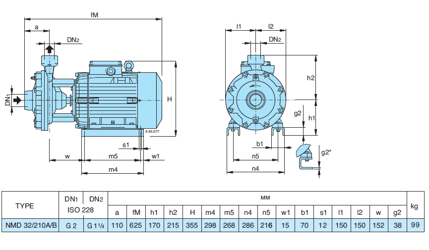
Описание модели NMD 32/210A/B
Моноблочный центробежный насос Calpeda NMD 32/210A/B с резьбовыми патрубками рассчитан на перекачивание воды и прочих неагрессивных к чугуну жидкостей. Это горизонтальный поверхностный насос способный обеспечить высокий напор, он оснащен двумя противоположно установленными рабочими колесами (с осевой балансировкой). Насос производится исключительно на заводе Calpeda, расположенном в г. Виченца (между Венецией и Вероной) на севере Италии.
Производительность насоса колеблется от 5,4 до 15 м3/час (90-250 л/мин), напор до 114 м.в.ст.
Оптимальная рабочая точка 13,2 м3/ч (220 л/мин) при напоре 96 м.в.ст. КПД насоса в указанной точке 44 %.
Резьбовые патрубки ISO 228/1 (BS 2779) - всасывающий G2" (50 мм), подающий (напорный) G11/4" (32 мм).
Насос оснащен 2-полюсным индукционным двигателем мощностью 9,2 кВт, 50 Гц (N ≈ 2900 об/мин), трехфазное напряжение 380/660 В. Класс защиты IP 54.
Ограничения по эксплуатации
- Температура воды от -10°C до +90°C (от -40 до +200 градусов под заказ).
- Температура вокруг насоса до 40°C.
- Высота подъема жидкости (всасывания) до 7 метров (зависит от модели насоса и конкретной рабочей точки).
- Давление внутри насоса, max: 10 атмосфер (16 атм. для насосов NMD 25/190, NMD 32/210, NMD 40/180).
- Допускается круглосуточная работа насоса.
Другие исполнения по запросу
Параметры защиты IP 55.
Для среды с более высокой или более низкой температурой.
Габаритный чертеж насоса Calpeda NMD 32/210A/B
Кривые производительности
У нас пока нет отзывов по этой модели.
В настоящее время никто вопросов не задавал. Вы можете быть первым.




































_1.jpg)




























































































































































































































































Гарантия 36 мес.