Описание модели NMD 20/140B/A
Моноблочный центробежный насос Calpeda NMD 20/140B/A с резьбовыми патрубками рассчитан на перекачивание воды и прочих неагрессивных к чугуну жидкостей. Это горизонтальный поверхностный насос способный обеспечить высокий напор, он оснащен двумя противоположно установленными рабочими колесами (с осевой балансировкой). Насос производится исключительно на заводе Calpeda, расположенном в г. Виченца (между Венецией и Вероной) на севере Италии.
Производительность насоса колеблется от 1,0 до 4,8 м3/час (16,7- 80 л/мин), напор до 54,0 м.в.ст.
Оптимальная рабочая точка 4,2 м3/ч (70 л/мин) при напоре 43,5 м.в.ст. КПД в указанной рабочей точке составляет около 40 %.
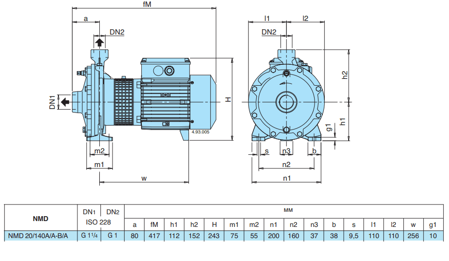
Патрубки по UNI-ISO 228/1: входной G1 1/4", выходной G1".
Насос оснащен 2-полюсным индукционным двигателем мощностью 1,1 кВт, 50 Гц (N ≈ 2900 об/мин), трехфазное напряжение 380 В. Класс защиты IP 54.
Ограничения по эксплуатации
- Температура воды от -10°C до +90°C (от -40 до +200 градусов под заказ).
- Температура вокруг насоса до 40°C.
- Высота подъема жидкости (всасывания) до 7 метров (зависит от модели насоса и конкретной рабочей точки).
- Давление внутри насоса, max: 10 атмосфер (16 атм. для насосов NMD 25/190, NMD 32/210, NMD 40/180).
- Допускается круглосуточная работа насоса.
Другие исполнения по запросу
Параметры защиты IP 55.
Для среды с более высокой или более низкой температурой.
Габаритный чертеж насоса Calpeda NMD 20/140B/A
Кривые производительности
У нас пока нет отзывов по этой модели.
В настоящее время никто вопросов не задавал. Вы можете быть первым.




































_1.jpg)




























































































































































































































































Гарантия 36 мес.