Описание модели DLX CD/M 20-03
Соленоидный мембранный дозировочный насос Etatron DLX CD/M 20-03 (артикул PLX1322001) дозирует жидкости и реагенты химической, фармацевтической, пищевой промышленности, сферы водоподготовки, водоочистки и обеззараживания воды. Этот компактный микропроцессорный дозатор разработан для измерения, контроля, регулирования уровня электропроводности (CD) жидкости, он автоматически поддерживает заданную концентрацию реагента.
Дозатор рассчитан на работу в ручном(ON/OFF) или в пропорциональном режиме PROP.
Режим работы задается в виде функции.
F1D – Дозирование при уровне ниже точки уставки
F1A – Дозирование при уровне выше точки уставки
F2D – Ручной режим ON/OFF
F2A – Пропорциональный режим PROP
F3D – PROP заводская установка с диапазоном 2,5 μS (удаленность от точки уставки 2,5 микросекунды)
F3A – PROP с диапазоном 1,3 μS (удаленность от точки уставки 1,3 микросекунды).
Перед выбором режима (функции) необходимо запрограммировать точку уставки уровня CD.
1. Ручной режим ON/OFF (F2D). Насос дозирует с заданной производительностью и остановится при достижении точки уставки. Производительность регулируется путем изменения частоты импульсов в диапазоне от 0 до 100 % (120 имп/мин=100%).
2. Пропорциональный режим PROP. Режим активируется функцией F2A, а функциями F3D или F3A устанавливается точка включения пропорционального дозирования. Насос будет работать с заданной производительностью (0-100%) до достижения точки включения, после чего он начнет регулировать импульсы пропорционально точки уставки. Микропроцессор автоматически остановит насос в точке уставки. Когда уровень электропроводности будет отличаться от точки уставки, насос начнет дозировать снова.
Панель управления оснащена цифровым дисплеем, LED-индикаторами статуса работы и кнопками управления.
Стикер панели управления покрыт УФ-защитной пленкой.

Номинальная частота импульсов насоса 120 имп/мин. Расход одного импульса 2,6 мл, длина хода пистона 1,8 мм.
Производительность насоса до 20 л/час (333 мл/мин) при постоянном противодавлении 3 бар.
Высота забора реагента 2 метра.
Диапазон измерений электропроводности 0–1.000 μS (K5) или 0–10.000 μS (K1) с разрешением 1 μS.
Питание насоса однофазное 220 В, потребляемая мощность 58 Вт, рабочий ток 0,16 А.
Электрическое подключение: Вход для датчика контроля уровня. Вход для датчика CD электропроводности. Выход 4-20 mA (для самописца).
Дозатор выполнен в полипропиленовом корпусе, степень защиты IP65 (пыль, брызги).
Стандартная головка без клапана стравливания воздуха.

Etatron DLX CD/M 20-03 поставляется в сборе, готовым к работе.
Вариант монтажа: настенный.
Комплектный набор:
Дозирующий насос (артикул PLX1322001)
Заборный шланг (2 п.м.)
Напорный шланг (2 п.м.)
Клапаны впрыска/забора (1 шт./1 шт.)
Датчик электропроводности
Паспорт и инструкция по установке и обслуживанию.
Опции:
Крышка корпуса для монтажа насоса на горизонтальную поверхность.
Набор для регулировки длины хода пистона.
Условия эксплуатации
- Температура окружающей среды должна быть от 0 до +40 °C.
- Относительная влажность воздуха не более 80%, если температура окружающей среды до +31 °C. При +40 °C относительная влажность не более 50%.
- Питание однофазное 220 вольт (допустимое отклонение 210-250 вольт). По запросу могут быть изготовлены насосы DLX с низковольтным питанием 12 вольт.
- Высота насоса при работе не должна превышать 2000 метров над уровнем моря.
Дополнительные аксессуары и запасные части к серии DLX
1. Клапаны всасывания и впрыска реагента.
2. Шланги.
3. Запасные головки, мембраны.
4. Датчики потока, уровня, pH, RedOx, хлора, электропроводности.
5. Импульсные расходомеры.
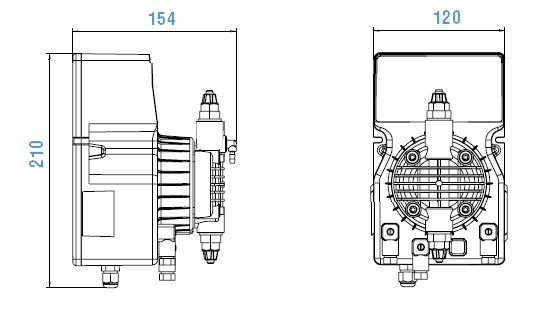
Габаритный чертеж насоса Etatron DLX CD/M 20-03
У нас пока нет отзывов по этой модели.
В настоящее время никто вопросов не задавал. Вы можете быть первым.




































_1.jpg)




























































































































































































































































Гарантия 24 мес.