Описание модели PS1D038A21
Плунжерный насос дозатор Seko Spring PS1D038A21 используется для дозирования воды и жидких химических веществ. Корпус насоса выполнен из алюминия, дозирующая головка (проточная часть) из нержавеющей стали (AISI 316). Производительность насоса регулируется вручную при помощи микрометрического винта, который управляет длиной хода плунжера (поршня). Регулировка производительности может осуществляться во время работы насоса, рекомендуемый диапазон регулировки от 30 до 100 % от максимальной производительности.
Внешний вид насоса, представленный на фотографии, может отличаться от реального.
Максимальная производительность насоса 55,0 л/час. Максимальное противодавление 17 бар.
Диаметр поршня 38 мм. Длина хода поршня 15 мм. Частота хода 58 тактов в минуту.
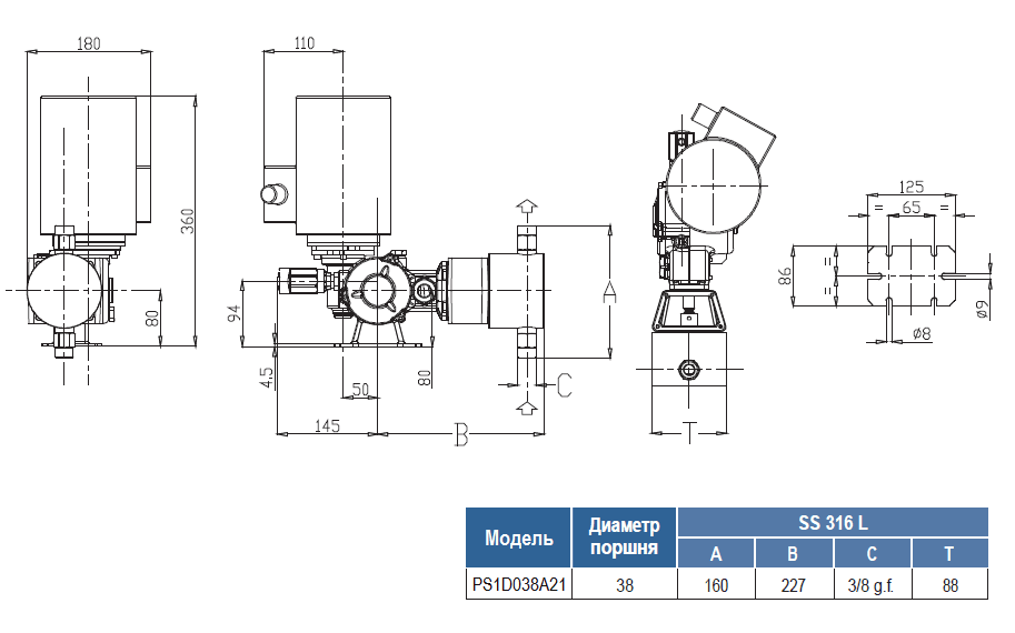
Присоединительный размер патрубков 3/8 ".
Высота всасывания насоса до 3 метров.
Насос оснащен трехфазным вертикально закрепленным электродвигателем 250 Вт (0,25 кВт). 4Р. Класс защиты IP55.
Направление вращения двигателя обозначено стрелкой на корпусе.
Ограничения по эксплуатации
Другие исполнения по запросу
Габаритный чертеж насоса Seko Spring PS1D038A21




































_1.jpg)




























































































































































































































































Гарантия 12 мес.