Описание модели TRHA 150-2000 F
Водокольцевой вакуумный насос Pompetravaini TRHA 150-2000 F откачивает закрытые объемы сухих и влажных газов до остаточного вакуума 33 мбар. Это мощный двухступенчатый насос в консольном исполнении. Корпус, проточная часть и рабочие колеса насоса выполнены из чугуна, вал из нержавеющей стали (AISI 420). Патрубки диаметром 150 мм с фланцевым присоединением, выходной патрубок первой камеры соединен манифольдом с входным патрубком второй камеры. Насос производится итальянской компанией Pompetravaini в соответствии с требованиями стандарта ISO 9001.
Производительность насоса до 2000 м3/час, предельный вакуум 33 мбар.
Расход сервисной жидкости 150 л/мин. При выключенном насосе внутри остается жидкость в объеме 73 литров.
Насос оснащен трехфазным двигателем 380 В, мощностью 75,0 кВт, 730 оборотов в минуту.
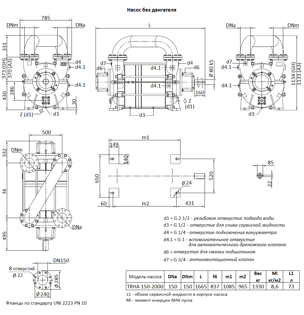
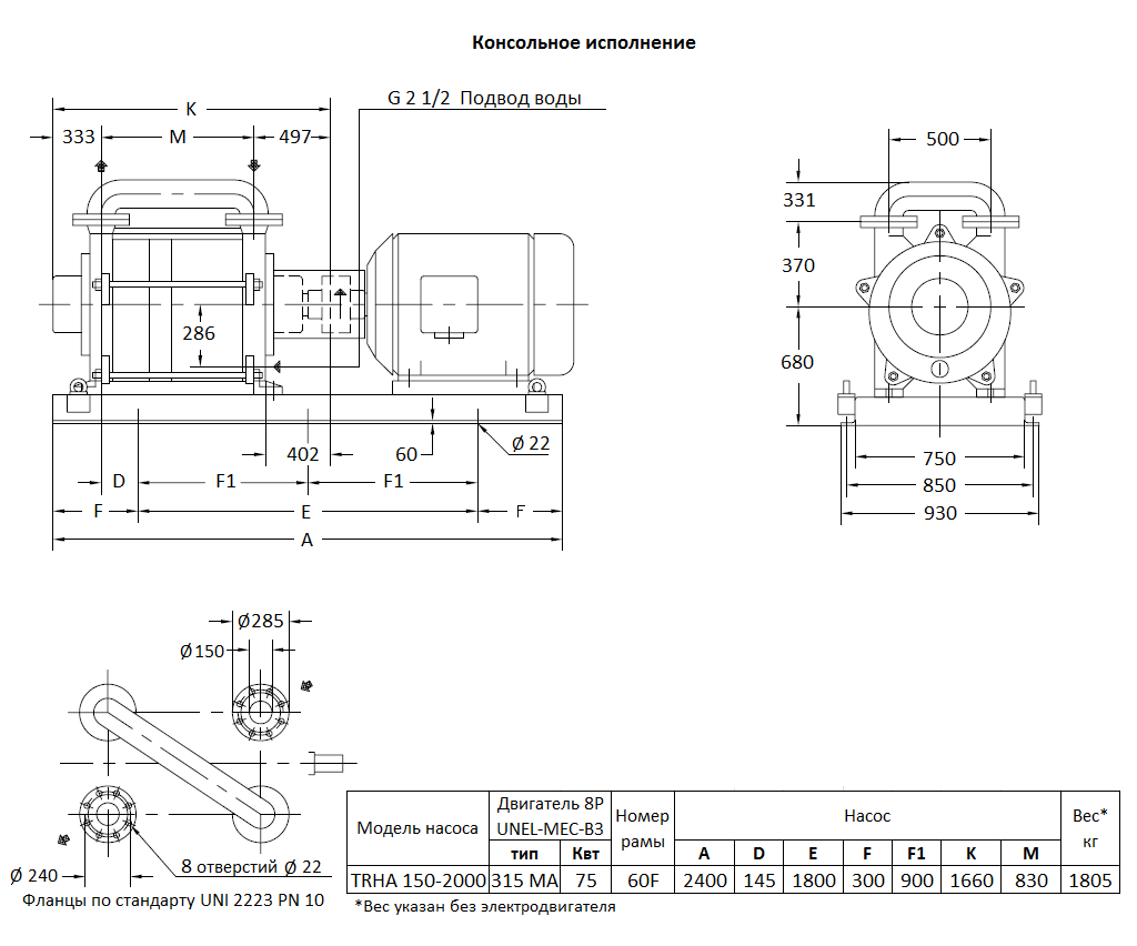
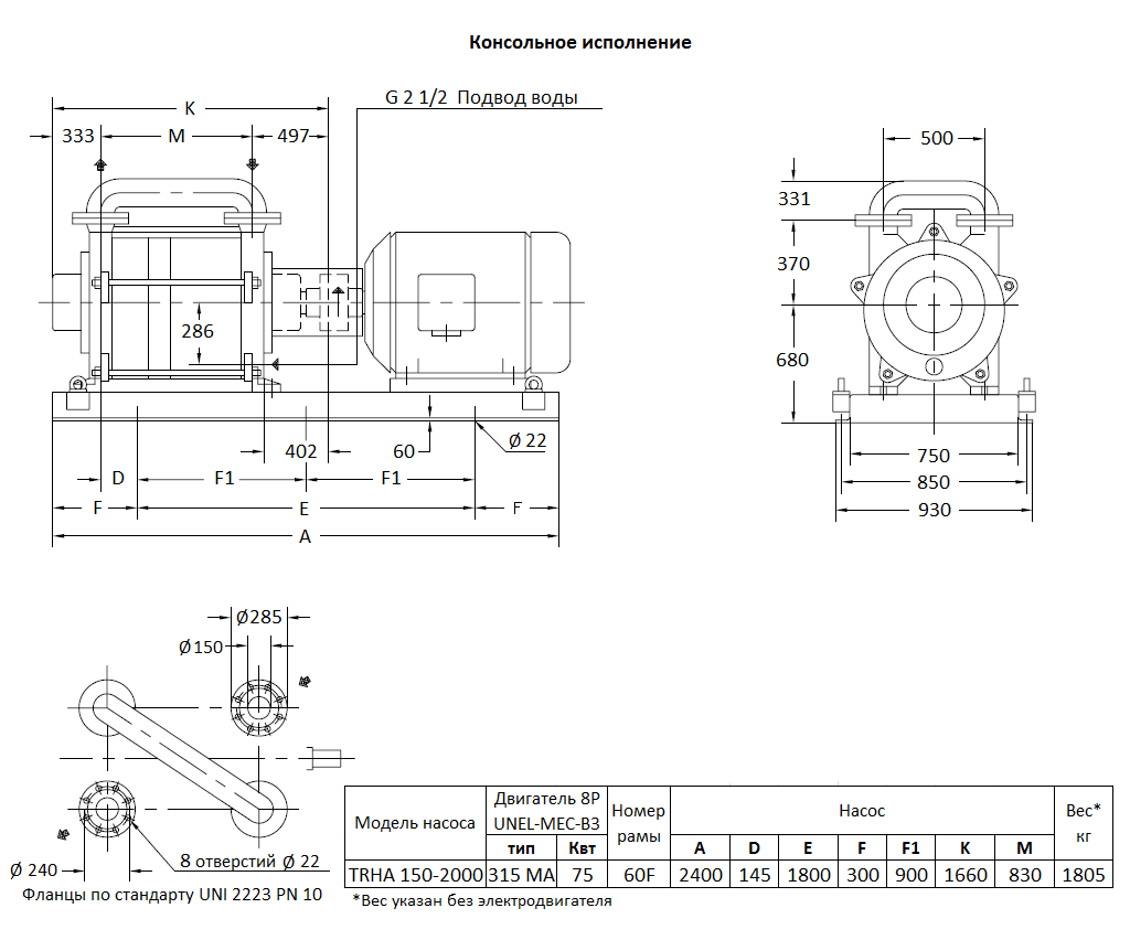
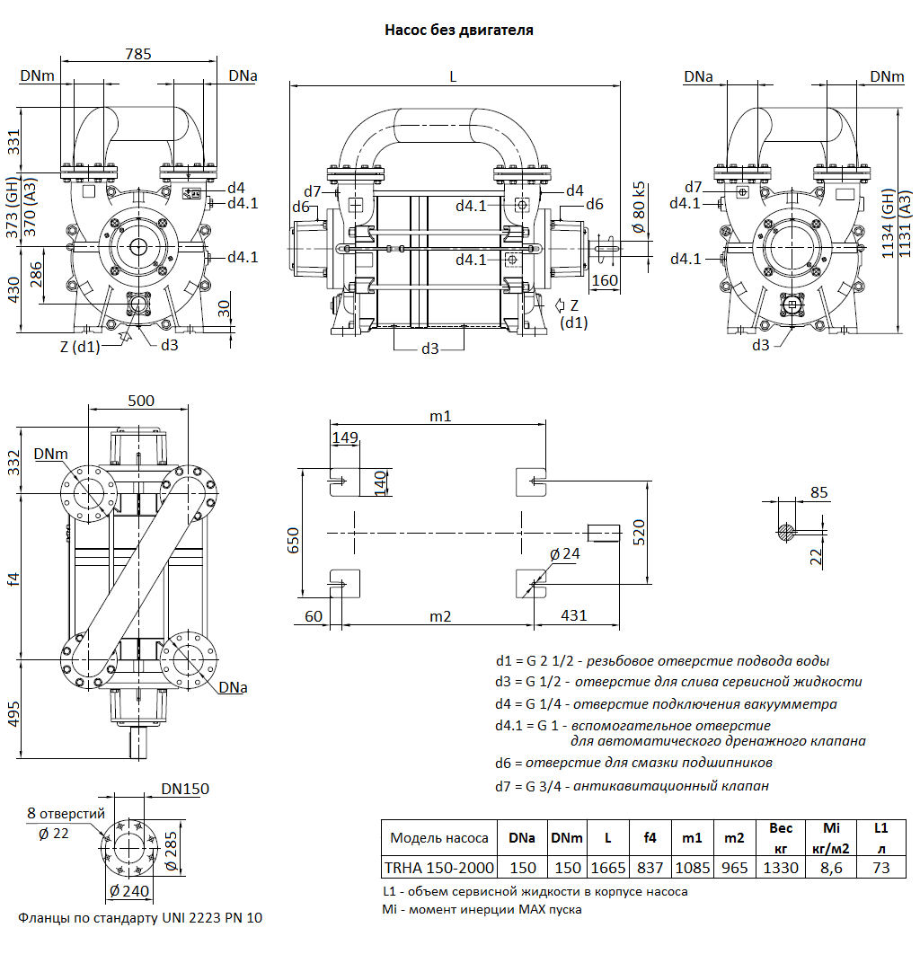
Габаритный чертеж вакуумного насоса Pompetravaini TRHA 150-2000 F
Габаритный чертеж вакуумного насоса Pompetravaini TRHA 150-2000 F
Кривые производительности
У нас пока нет отзывов по этой модели.
В настоящее время никто вопросов не задавал. Вы можете быть первым.




































_1.jpg)




























































































































































































































































Гарантия 12 мес.